E145X 220volt
Atwater Kent Mfg. Co.; Philadelphia, USA
- Pays
- Etats-Unis
- Fabricant / Marque
- Atwater Kent Mfg. Co.; Philadelphia, USA
- Année
- 1935
- Catégorie
- Radio - ou tuner d'après la guerre 1939-45
- Radiomuseum.org ID
- 33408
Cliquez sur la vignette du schéma pour le demander en tant que document gratuit.
- No. de tubes
- 5
- Principe général
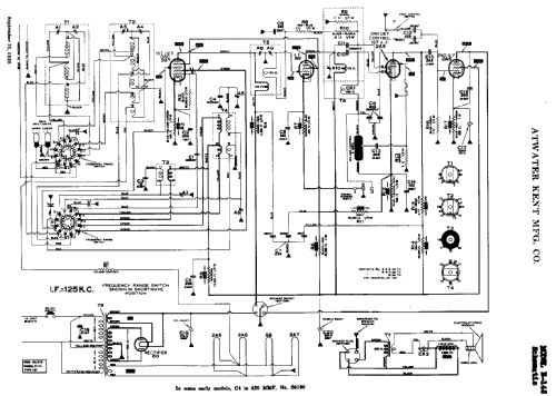
- Super hétérodyne (en général); FI/IF 125 kHz
- Gammes d'ondes
- PO et OC
- Tension / type courant
- Alimentation Courant Alternatif (CA) / 220 Volt
- Haut-parleur
- HP dynamique à électro-aimant (électrodynamique)
- Matière
- Boitier en bois
- De Radiomuseum.org
- Modèle: E145X [220volt] - Atwater Kent Mfg. Co.;
- Forme
- Modèle de table vertical décoré (pierre tombale)
- Source extérieure
- Ernst Erb
- Source du schéma
- Rider's Perpetual, Volume 7 = 1936 and before
- D'autres Modèles
-
Vous pourrez trouver sous ce lien 508 modèles d'appareils, 332 avec des images et 332 avec des schémas.
Tous les appareils de Atwater Kent Mfg. Co.; Philadelphia, USA