Cascode RIAA Versterker
Audio Research Center; Rotterdam
- Paese
- Olanda
- Produttore / Marca
- Audio Research Center; Rotterdam
- Anno
- 1983
- Categoria
- Kit, scatola di montaggio (parti sfuse e istruzioni o solo istruzioni di montaggio)
- Radiomuseum.org ID
- 125744
Clicca sulla miniatura dello schema per richiederlo come documento gratuito.
- Numero di tubi
- 4
- Principio generale
- Amplificatore audio
- Gamme d'onda
- - senza
- Tensioni di funzionamento
- Fornita mediante altra unità o unità principale. / 350 Volt
- Altoparlante
- - Per cuffie o amplificatori esterni
- Materiali
- Mobile di metallo, valvole visibili
- Radiomuseum.org
- Modello: Cascode RIAA Versterker - Audio Research Center;
- Forma
- Chassis o in scatola da montaggio
- Annotazioni
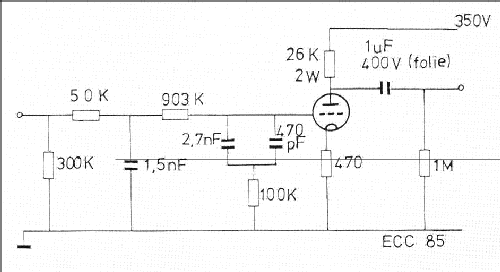
- Röhren-Vorverstärker für magnetodynamisches Plattenspieler-Element, Kaskoden-Eingangsstufe, Kathodenfolger-Ausgang, passive RIAA-Korrektion, Frequenzgang 20Hz...20kHz +/- 0.5 dB, Sensitivität 1 mV, Eingangsimpedanz 47k. Schaltung wurde entwickelt von einem Leser der Zeitschrift Audio & Techniek.
- Bibliografia
- -- Original-techn. papers. (Audio & Techniek, 83/5, p.44 (1983).)
- Autore
- Modello inviato da Aren van Waarde. Utilizzare "Proponi modifica" per inviare ulteriori dati.
- Altri modelli
-
In questo link sono elencati 8 modelli, di cui 3 con immagini e 8 con schemi.
Elenco delle radio e altri apparecchi della Audio Research Center; Rotterdam