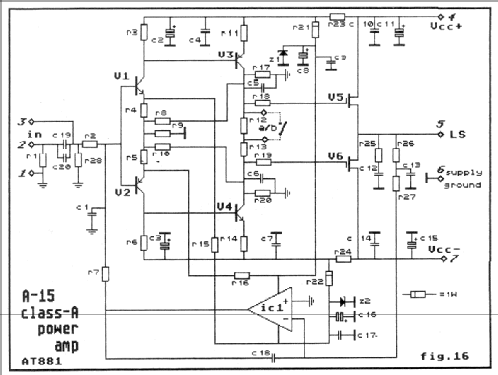
Class A Power Amplifier A15 AT881
Audio Research Center; Rotterdam
- Country
- Netherlands
- Manufacturer / Brand
- Audio Research Center; Rotterdam
- Year
- 1989
- Category
- Kit (Parts plus instruction) or building instructions only
- Radiomuseum.org ID
- 127714
Click on the schematic thumbnail to request the schematic as a free document.
- Number of Transistors
- 12
- Semiconductors
- Main principle
- Audio-Amplification
- Wave bands
- - without
- Power type and voltage
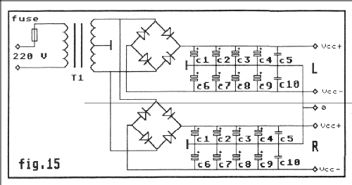
- Alternating Current supply (AC) / 220 Volt
- Loudspeaker
- - This model requires external speaker(s).
- Power out
- 18 W (unknown quality)
- Material
- Metal case
- from Radiomuseum.org
- Model: Class A Power Amplifier A15 [AT881] - Audio Research Center;
- Shape
- Tablemodel, low profile (big size).
- Notes
- Klasse-A Stereo-Endverstärker, völlig symmetrische und sehr einfache Schaltung, nur 6 Transistoren pro Kanal: BC550, BC560, BD139, BD140, 2SJ50, 2SK135. Ein i.c. (TL071) diente als DC-Servo. Bausatz, Schaltung veröffentlicht in Elektronik-Zeitschrift. Die Schaltung war beliebt bei Klassik-Musik-Liebhaber. Das Gerät hatte ein Klasse A/B Schalter.
- Source of data
- -- Original-techn. papers.
- Literature/Schematics (1)
- Spezial-Nummer der Zeitschrift Audio & Techniek, 1989.
- Author
- Model page created by Aren van Waarde. See "Data change" for further contributors.
- Other Models
-
Here you find 8 models, 3 with images and 8 with schematics for wireless sets etc. In French: TSF for Télégraphie sans fil.
All listed radios etc. from Audio Research Center; Rotterdam