Multimeter ME-77C/U AN/URM-105C
Barnett Instrument, Clarksville, TN
- Produttore / Marca
- Barnett Instrument, Clarksville, TN
- Anno
- 1959
- Categoria
- Strumento da laboratorio
- Radiomuseum.org ID
- 221310
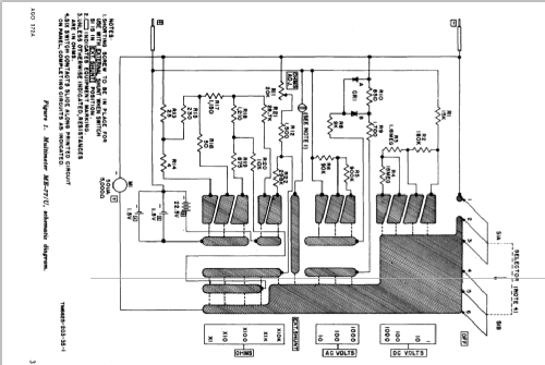
Clicca sulla miniatura dello schema per richiederlo come documento gratuito.
- Gamme d'onda
- - senza
- Tensioni di funzionamento
- Batterie a secco / 1.5 & 22.5 Volt
- Altoparlante
- - - Nessuna uscita audio.
- Materiali
- Plastica o bachelite
- Radiomuseum.org
- Modello: Multimeter ME-77C/U AN/URM-105C - Barnett Instrument,
- Forma
- Tascabile (portatile molto piccola), < 20 cm
- Dimensioni (LxAxP)
- 170 x 100 x 70 mm / 6.7 x 3.9 x 2.8 inch
- Annotazioni
-
Made for US Military
- Letteratura / Schemi (1)
- -- Original-techn. papers. (TM-11-6625-203-12)
- Letteratura / Schemi (2)
- -- Original-techn. papers. (TM-11-6625-203-24P-2)
- Letteratura / Schemi (3)
- -- Original-techn. papers. (TM-11-6625-203-35)
- Autore
- Modello inviato da Renzo Bettinello. Utilizzare "Proponi modifica" per inviare ulteriori dati.
- Altri modelli
-
In questo link sono elencati 2 modelli, di cui 2 con immagini e 2 con schemi.
Elenco delle radio e altri apparecchi della Barnett Instrument, Clarksville, TN
Collezioni
Il modello Multimeter fa parte delle collezioni dei seguenti membri.