Europa MU Export
Becker, Max Egon, Autoradiowerk Ittersbach bei Pforzheim
- Country
- Germany
- Manufacturer / Brand
- Becker, Max Egon, Autoradiowerk Ittersbach bei Pforzheim
- Year
- 1958 ?
- Category
- Car Radio, perhaps also + sound player/recorder
- Radiomuseum.org ID
- 197592
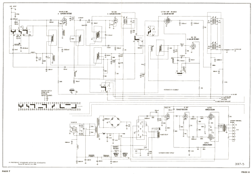
Click on the schematic thumbnail to request the schematic as a free document.
- Number of Tubes
- 6
- Main principle
- Superhet with RF-stage; ZF/IF 460 / 10700 kHz; 2 AF stage(s); Export model
- Wave bands
- Broadcast (BC) and FM or UHF.
- Power type and voltage
- Storage Battery for all (e.g. for car radios and amateur radios) / 6; 12 Volt
- Loudspeaker
- - This model requires external speaker(s).
- Material
- Metal case
- from Radiomuseum.org
- Model: Europa MU [Export] - Becker, Max Egon,
- Shape
- Chassis only or for «building in»
- Notes
- Model Europa has Marine Band.
Supplier: Witte Import Distributors, 613-19 S. 24th St., Philadelphia 46, Pa.
- Literature/Schematics (1)
- Photofact Folder, Howard W. SAMS (Date 5-58, Set 397, Folder 5)
- Author
- Model page created by Egon Penker. See "Data change" for further contributors.
- Other Models
-
Here you find 312 models, 228 with images and 161 with schematics for wireless sets etc. In French: TSF for Télégraphie sans fil.
All listed radios etc. from Becker, Max Egon, Autoradiowerk Ittersbach bei Pforzheim