Belsondos 3202
Belson Radio S.A.; San Hipólito de Voltregá
- País
- España
- Fabricante / Marca
- Belson Radio S.A.; San Hipólito de Voltregá
- Año
- 1975 ??
- Categoría
- Autoradio
- Radiomuseum.org ID
- 205113
Haga clic en la miniatura esquemática para solicitarlo como documento gratuito.
- Numero de transistores
- 12
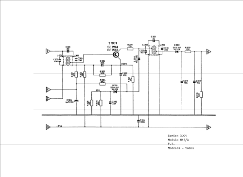
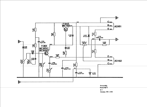
- Semiconductores
- BF235 BF235 BF235 BF235 BC209 BC209 BD136 BF233 or. SF294 BC209 MC150 AD161 AD162 TBA120 AA119 SFD43
- Principio principal
- Superheterodino en general
- Gama de ondas
- OM y FM
- Tensión de funcionamiento
- Bateria recargable / 12 Volt
- Altavoz
- - Este modelo usa altavoz exterior (1 o más).
- Material
- Metálico
- de Radiomuseum.org
- Modelo: Belsondos 3202 - Belson Radio S.A.; San
- Forma
- Chasis (tambien de autoradio)
- Documentación / Esquemas (1)
- -- Schematic
- Autor
- Modelo creado por Miguel Bravo-Cos. Ver en "Modificar Ficha" los participantes posteriores.
- Otros modelos
-
Donde encontrará 19 modelos, 9 con imágenes y 12 con esquemas.
Ir al listado general de Belson Radio S.A.; San Hipólito de Voltregá