Belsondos ARC-4101
Belson Radio S.A.; San Hipólito de Voltregá
- Country
- Spain
- Manufacturer / Brand
- Belson Radio S.A.; San Hipólito de Voltregá
- Year
- 1975 ??
- Category
- Car Radio, perhaps also + sound player/recorder
- Radiomuseum.org ID
- 205191
Click on the schematic thumbnail to request the schematic as a free document.
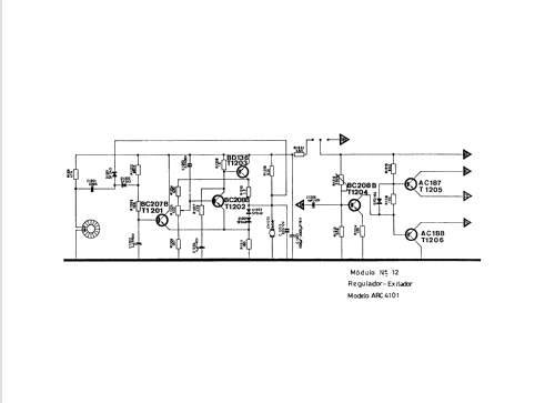
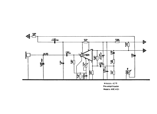
- Number of Transistors
- 14
- Semiconductors
- BF233 BF233 BF233 SC149 SC149 BC207 BC208 BD136 BD135 BC207 BD135 BD136 PC100 PC100 SFD43
- Main principle
- Superheterodyne (common)
- Wave bands
- Broadcast only (MW).
- Details
- Cassette-Recorder or -Player
- Power type and voltage
- Storage Battery for all (e.g. for car radios and amateur radios) / 12 Volt
- Loudspeaker
- - This model requires external speaker(s).
- Material
- Metal case
- from Radiomuseum.org
- Model: Belsondos ARC-4101 - Belson Radio S.A.; San
- Shape
- Chassis only or for «building in»
- Literature/Schematics (1)
- -- Original-techn. papers.
- Author
- Model page created by Miguel Bravo-Cos. See "Data change" for further contributors.
- Other Models
-
Here you find 19 models, 9 with images and 12 with schematics for wireless sets etc. In French: TSF for Télégraphie sans fil.
All listed radios etc. from Belson Radio S.A.; San Hipólito de Voltregá