- Country
- United States of America (USA)
- Manufacturer / Brand
- Bogen (-Presto), David Co., Inc.; New York, NY / Paramus, NJ
- Year
- 1950 ?
- Category
- Audio Amplifier or -mixer
- Radiomuseum.org ID
- 147500
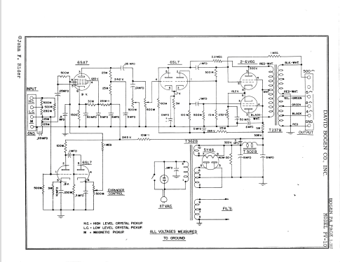
Click on the schematic thumbnail to request the schematic as a free document.
- Number of Tubes
- 6
- Valves / Tubes
- Main principle
- Audio-Amplification
- Wave bands
- - without
- Power type and voltage
- Alternating Current supply (AC) / 110 Volt
- Loudspeaker
- - This model requires external speaker(s).
- Power out
- 10 W (unknown quality)
- Material
- Metal case
- from Radiomuseum.org
- Model: PV10 - Bogen -Presto, David Co., Inc.
- Shape
- Tablemodel, with any shape - general.
- Dimensions (WHD)
- 10 x 7 x 6.5 inch / 254 x 178 x 165 mm
- Source of data
- -- Collector info (Sammler)
- Author
- Model page created by Sándor Selyem-Tóth. See "Data change" for further contributors.
- Other Models
-
Here you find 245 models, 222 with images and 163 with schematics for wireless sets etc. In French: TSF for Télégraphie sans fil.
All listed radios etc. from Bogen (-Presto), David Co., Inc.; New York, NY / Paramus, NJ