RP-200 Series C12
Bogen (-Presto), David Co., Inc.; New York, NY / Paramus, NJ
- Country
- United States of America (USA)
- Manufacturer / Brand
- Bogen (-Presto), David Co., Inc.; New York, NY / Paramus, NJ
- Year
- 1963 ??
- Category
- Broadcast Receiver - or past WW2 Tuner
- Radiomuseum.org ID
- 99049
Click on the schematic thumbnail to request the schematic as a free document.
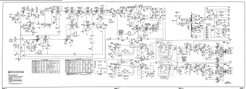
- Number of Tubes
- 18
- Main principle
- Superhet with RF-stage; ZF/IF 455 kHz; 3 AF stage(s)
- Tuned circuits
- 8 AM circuit(s) 5 FM circuit(s)
- Wave bands
- Broadcast (BC) and FM or UHF.
- Power type and voltage
- Alternating Current supply (AC) / 110 Volt
- Loudspeaker
- - This model requires external speaker(s).
- Power out
- 20 W (unknown quality)
- Material
- Metal case, TUBES VISIBLE
- from Radiomuseum.org
- Model: RP-200 Series C12 - Bogen -Presto, David Co., Inc.
- Shape
- Chassis only or for «building in»
- Dimensions (WHD)
- 420 x 130 x 315 mm / 16.5 x 5.1 x 12.4 inch
- Net weight (2.2 lb = 1 kg)
- 10 kg / 22 lb 0.4 oz (22.026 lb)
- Source of data
- - - Data from my own collection
- Mentioned in
- Photofact Folder, Howard W. SAMS (Set 618, Folder 6, Feb. 1963)
- Author
- Model page created by Franz Gysi. See "Data change" for further contributors.
- Other Models
-
Here you find 245 models, 222 with images and 163 with schematics for wireless sets etc. In French: TSF for Télégraphie sans fil.
All listed radios etc. from Bogen (-Presto), David Co., Inc.; New York, NY / Paramus, NJ