Atelier CC4
Braun; Frankfurt
- Country
- Germany
- Manufacturer / Brand
- Braun; Frankfurt
- Year
- 1987–1990
- Category
- Broadcast Receiver - or past WW2 Tuner
- Radiomuseum.org ID
- 217476
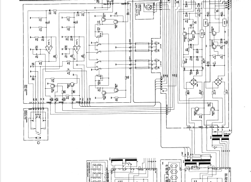
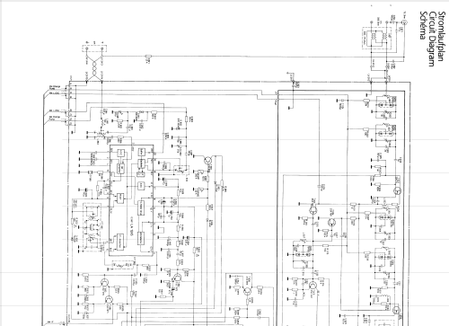
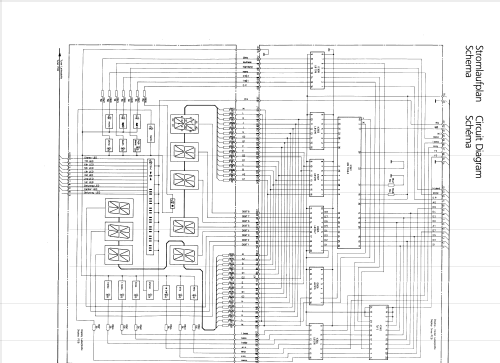
Click on the schematic thumbnail to request the schematic as a free document.
- Number of Transistors
- Semiconductors present.
- Semiconductors
- Main principle
- Superheterodyne (common)
- Wave bands
- Broadcast (BC) and FM or UHF.
- Power type and voltage
- Alternating Current supply (AC) / 220 Volt
- Loudspeaker
- - For headphones or amp.
- Material
- Metal case
- from Radiomuseum.org
- Model: Atelier CC4 - Braun; Frankfurt
- Shape
- Book-shelf unit.
- Dimensions (WHD)
- 445 x 70 x 375 mm / 17.5 x 2.8 x 14.8 inch
- Notes
- Tuner-Vorverstärker für den Endverstärker PA4 bzw. 2/4 Aktivboxen; über das Atelier Control-Center CC4 wird die Atelier-Anlage fernbedienbar. Ähnliche Eigenschaften wie Atelier R4, jedoch auf der Rückseite an Stelle von 4 Lautsprecherausgängen 4 Pre-out-Buchsen.
Sampo-Prozessor für die Steuerung der Uhr, den Timer und alle Speicher; in der Variante CC4² (CC4/2) wurde ein Tatung-Processor verwendet.
Ausführung in schwarz oder kristallgrau.
- Net weight (2.2 lb = 1 kg)
- 7 kg / 15 lb 6.7 oz (15.419 lb)
- Price in first year of sale
- 1,750.00 DEM
- Source of data
- - - Manufacturers Literature
- Author
- Model page created by Günther Stabe † 19.8.20. See "Data change" for further contributors.
- Other Models
-
Here you find 1068 models, 938 with images and 655 with schematics for wireless sets etc. In French: TSF for Télégraphie sans fil.
All listed radios etc. from Braun; Frankfurt
Collections
The model Atelier is part of the collections of the following members.