- Country
- Canada
- Manufacturer / Brand
- Canadian Marconi Co. Ltd. (CMC, Esterline), Marconi's Wireless; Montreal, QC
- Year
- 1950 ??
- Category
- Broadcast Receiver - or past WW2 Tuner
- Radiomuseum.org ID
- 214779
-
- alternative name: CMC Canada || Marconi, Canada
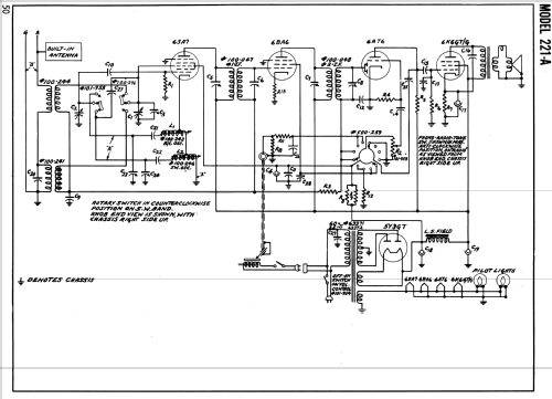
Click on the schematic thumbnail to request the schematic as a free document.
- Number of Tubes
- 5
- Main principle
- Superheterodyne (common); ZF/IF 462.5 kHz; 2 AF stage(s)
- Tuned circuits
- 6 AM circuit(s)
- Wave bands
- Broadcast and Short Wave (SW).
- Details
- Changer (Record changer)
- Power type and voltage
- Alternating Current supply (AC) / 117 Volt
- Loudspeaker
- Permanent Magnet Dynamic (PDyn) Loudspeaker (moving coil) / Ø 6 inch = 15.2 cm
- Power out
- 1.5 W (unknown quality)
- Material
- Wooden case
- from Radiomuseum.org
- Model: 221A - Canadian Marconi Co. Ltd. CMC,
- Shape
- Tablemodel, Box - most often with Lid (NOT slant panel).
- Dimensions (WHD)
- 20.62 x 12.62 x 13.5 inch / 524 x 321 x 343 mm
- Notes
- The Marconi Model 221A is an AC operated 5 Tube combination BC/SW Band Receiver and phonograph. BC Band Tuning Range: 540 to 1720kHz. SW Band Tuning Range: 5.8 to 18.0MHz. Uses Qty(1) 6" speaker. Available for either 25 or 60Hz AC power.
- Source of data
- Marconi Service Manual Volume No. 2
- Literature/Schematics (1)
- Marconi Service Manual Volume No. 2 (Volume 2, Page 49)
- Author
- Model page created by John Kusching. See "Data change" for further contributors.
- Other Models
-
Here you find 465 models, 328 with images and 378 with schematics for wireless sets etc. In French: TSF for Télégraphie sans fil.
All listed radios etc. from Canadian Marconi Co. Ltd. (CMC, Esterline), Marconi's Wireless; Montreal, QC