- País
- Canada
- Fabricante / Marca
- Canadian Marconi Co. Ltd. (CMC, Esterline), Marconi's Wireless; Montreal, QC
- Año
- 1950 ??
- Categoría
- Radio - o Sintonizador pasado WW2
- Radiomuseum.org ID
- 215027
-
- alternative name: CMC Canada || Marconi, Canada
Haga clic en la miniatura esquemática para solicitarlo como documento gratuito.
- Numero de valvulas
- 6
- Principio principal
- Superheterodino en general; ZF/IF 455 kHz; 2 Etapas de AF
- Número de circuitos sintonía
- 6 Circuíto(s) AM
- Gama de ondas
- OM y OC
- Especialidades
- Tocadiscos con cambiador autom.
- Tensión de funcionamiento
- Red: Corriente alterna (CA, Inglés = AC) / 117 Volt
- Altavoz
- Altavoz dinámico (de imán permanente) / Ø 12 inch = 30.5 cm
- Potencia de salida
- 2 W (unknown quality)
- Material
- Madera
- de Radiomuseum.org
- Modelo: 243 - Canadian Marconi Co. Ltd. CMC,
- Forma
- Consola baja, patas más cortas del 50%.
- Ancho, altura, profundidad
- 23 x 33 x 16 inch / 584 x 838 x 406 mm
- Anotaciones
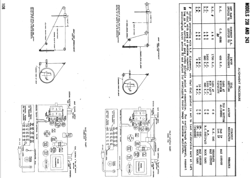
- The Marconi Model 243 is an AC operated 6 Tube combination BC/SW Receiver and phonograph. BC Band Tuning Range: 540 to 1720kHz. SW Band Tuning Range: 6.0 to 18.0MHz. Uses Qty(1) PM 12" speaker. Incorporates a 6 push-button radio-phono selector. Has non-intermix automatic Record Changer with automatic stop. Operates with either 25 or 60Hz AC power. Marconi Table Model 238 uses the same chassis and schematic but does not have the built-in Record Changer.
- Procedencia de los datos
- Marconi Service Manual Volume No. 2
- Documentación / Esquemas (1)
- Marconi Service Manual Volume No. 2 (Volume 2, Page 107)
- Autor
- Modelo creado por John Kusching. Ver en "Modificar Ficha" los participantes posteriores.
- Otros modelos
-
Donde encontrará 465 modelos, 328 con imágenes y 378 con esquemas.
Ir al listado general de Canadian Marconi Co. Ltd. (CMC, Esterline), Marconi's Wireless; Montreal, QC