- Paese
- Canada
- Produttore / Marca
- Canadian Marconi Co. Ltd. (CMC, Esterline), Marconi's Wireless; Montreal, QC
- Anno
- 1954/1955
- Categoria
- Radio (o sintonizzatore del dopoguerra WW2)
- Radiomuseum.org ID
- 243011
-
- alternative name: CMC Canada || Marconi, Canada
Clicca sulla miniatura dello schema per richiederlo come documento gratuito.
- Numero di tubi
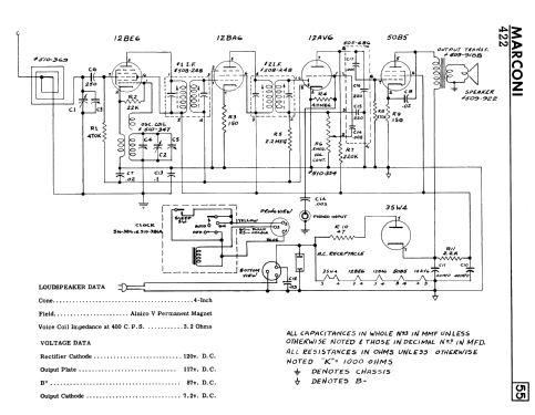
- 5
- Principio generale
- Supereterodina (in generale); ZF/IF 455 kHz; 2 Stadi BF
- N. di circuiti accordati
- 6 Circuiti Mod. Amp. (AM)
- Tensioni di funzionamento
- Alimentazione a corrente alternata (CA) / 117 Volt
- Altoparlante
- AP magnetodinamico (magnete permanente e bobina mobile) / Ø 4 inch = 10.2 cm
- Materiali
- Plastica (non bachelite o catalina)
- Radiomuseum.org
- Modello: 422 - Canadian Marconi Co. Ltd. CMC,
- Forma
- Soprammobile con orologio (radio-orologio, radiosveglia).
- Annotazioni
-
The Marconi model 422 is a 5-tube clock radio. In gray decorator colours. Extra coloured foils for the dial centre are supplied with each set. Has timed power output receptacle.
- Letteratura / Schemi (1)
- Radio College of Canada (RCC) (1956 supplement 38)
- Letteratura / Schemi (3)
- Marconi Folder Radios..Phono-Combinations..HI-FI for 1955
- Autore
- Modello inviato da Ernst Erb. Utilizzare "Proponi modifica" per inviare ulteriori dati.
- Altri modelli
-
In questo link sono elencati 465 modelli, di cui 328 con immagini e 378 con schemi.
Elenco delle radio e altri apparecchi della Canadian Marconi Co. Ltd. (CMC, Esterline), Marconi's Wireless; Montreal, QC