- Country
- Canada
- Manufacturer / Brand
- Canadian Marconi Co. Ltd. (CMC, Esterline), Marconi's Wireless; Montreal, QC
- Year
- 1965 ?
- Category
- Broadcast Receiver - or past WW2 Tuner
- Radiomuseum.org ID
- 310920
-
- alternative name: CMC Canada || Marconi, Canada
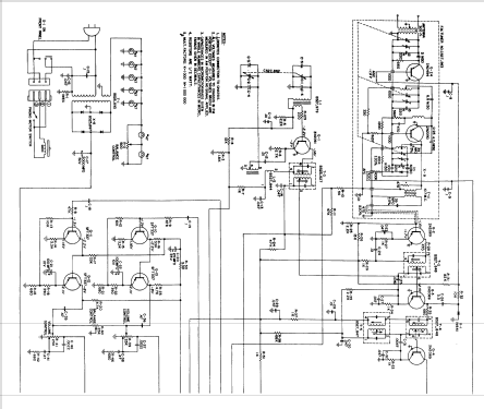
Click on the schematic thumbnail to request the schematic as a free document.
- Number of Transistors
- 25
- Semiconductors
- 2N2091 2N2494 2N2090 2N2089 2N2089 2N2089 2N2092 2N2711 2N2711 2N2092 2N2431 SFT337 SFT337 SFT337 SFT337 2N2091 2N2091 2N2706 2N2430 2N2706 2N2430 40022 40022 40022 40022
- Main principle
- Superheterodyne (common); ZF/IF 455/10700 kHz; 5 AF stage(s)
- Tuned circuits
- 7 AM circuit(s) 10 FM circuit(s)
- Wave bands
- Broadcast (BC) and FM or UHF.
- Details
- Changer (Record changer)
- Power type and voltage
- Alternating Current supply (AC) / 117 Volt
- Loudspeaker
- 2 Loudspeakers
- Material
- Wooden case
- from Radiomuseum.org
- Model: 4617 Ch= 876 - Canadian Marconi Co. Ltd. CMC,
- Shape
- Console with any shape - in general
- Notes
-
The Marconi model 4617 is a 25-transistor AM/FM stereo console radio with built-in record changer.
- Literature/Schematics (1)
- Radio College of Canada (RCC) (1966 Supplement 78)
- Author
- Model page created by Tom Seeger. See "Data change" for further contributors.
- Other Models
-
Here you find 465 models, 328 with images and 378 with schematics for wireless sets etc. In French: TSF for Télégraphie sans fil.
All listed radios etc. from Canadian Marconi Co. Ltd. (CMC, Esterline), Marconi's Wireless; Montreal, QC