- País
- Canada
- Fabricante / Marca
- Canadian General Electric (Canada) (C.G.E. or CGE); Toronto, ON
- Año
- 1950 ?
- Categoría
- Televisión (TV) o monitor
- Radiomuseum.org ID
- 296620
Haga clic en la miniatura esquemática para solicitarlo como documento gratuito.
- Numero de valvulas
- 20
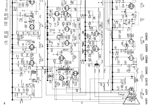
- Válvulas
- 6AU6 6BC5 12AT7 6BC5 6BC5 6BC5 12AT7 10BP4A 12SN7 19BG6 1B3GT 25W4 6AU6 6AL5 6SQ7 25L6GT 6SL7 12SN7 6AL5 6AU6
- Principio principal
- Superheterodino con paso previo de RF; ZF/IF 4500/41250/45750 kHz
- Gama de ondas
- Bandas de recepción puestas en notas.
- Tensión de funcionamiento
- Red: Corriente alterna (CA, Inglés = AC) / 25 to 60 Hz,115 Volt
- Altavoz
- Altavoz electrodinámico (bobina de campo) / Ø 4.5 inch = 11.4 cm
- Potencia de salida
- 1 W (2 W max.)
- Material
- Inyectado (se desconoce si bakelita o plástico).
- de Radiomuseum.org
- Modelo: C2505C - Canadian General Electric
- Forma
- Sobremesa de cualquier forma, detalles no conocidos.
- Ancho, altura, profundidad
- 11.75 x 14.69 x 20.25 inch / 298 x 373 x 514 mm
- Anotaciones
- 
        The Canadian General Electric model C2505C is a 10 inch black and white television receiver with North American standard VHF tuner for channels 2-13. 
- Mencionado en
- General Electric Radio and Television Service Manual 1945-1949 (Page 435 to 462)
- Autor
- Modelo creado por Tom Seeger. Ver en "Modificar Ficha" los participantes posteriores.
- Otros modelos
- 
        Donde encontrará 506 modelos, 374 con imágenes y 428 con esquemas. 
 Ir al listado general de Canadian General Electric (Canada) (C.G.E. or CGE); Toronto, ON
 
                
                
                
                
                
                
                
                
                
                
                
                
                
                
                
                
                
                
                
                
                
                
                
                
                
                
                
                
                
               