265X Ch= 5C4X
Canadian Admiral Co. Ltd; Long Branch, Ont.
- Pays
- Canada
- Fabricant / Marque
- Canadian Admiral Co. Ltd; Long Branch, Ont.
- Année
- 1958 ?
- Catégorie
- Radio - ou tuner d'après la guerre 1939-45
- Radiomuseum.org ID
- 306952
Cliquez sur la vignette du schéma pour le demander en tant que document gratuit.
- No. de tubes
- 5
- Principe général
- Super hétérodyne (en général); FI/IF 455 kHz; 2 Etage(s) BF
- Circuits accordés
- 6 Circuits MA (AM)
- Gammes d'ondes
- PO uniquement
- Tension / type courant
- Alimentation Courant Alternatif (CA) / 60 Hz, 117 Volt
- Haut-parleur
- HP dynamique à aimant permanent + bobine mobile / Ø 4 inch = 10.2 cm
- Matière
- Plastique moderne (pas de bakélite, ni de catalin)
- De Radiomuseum.org
- Modèle: 265X Ch= 5C4X - Canadian Admiral Co. Ltd; Long
- Forme
- Modèle de table avec réveil ou horloge
- Remarques
-
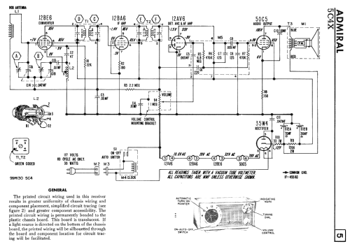
The Admiral model 265X is a 5-tube clock radio with internal loop antenna. Printed circuit board construction.
- Schémathèque (1)
- Radio College of Canada (RCC) (Supplement 45)
- Auteur
- Modèle crée par Tom Seeger. Voir les propositions de modification pour les contributeurs supplémentaires.
- D'autres Modèles
-
Vous pourrez trouver sous ce lien 240 modèles d'appareils, 166 avec des images et 232 avec des schémas.
Tous les appareils de Canadian Admiral Co. Ltd; Long Branch, Ont.