663 Imperial Ch= 12B1/5T4A
Canadian Admiral Co. Ltd; Long Branch, Ont.
- Pays
- Canada
- Fabricant / Marque
- Canadian Admiral Co. Ltd; Long Branch, Ont.
- Année
- 1958 ?
- Catégorie
- Radio - ou tuner d'après la guerre 1939-45
- Radiomuseum.org ID
- 302121
Cliquez sur la vignette du schéma pour le demander en tant que document gratuit.
- No. de tubes
- 17
- Lampes / Tubes
- 6DT8 12AT7 6AU6 6BE6 6BA6 6AU6 6AL5 12AX7 12AX7 6BQ5 6BQ5 5AR4 6AV6 12AX7 6BQ5 6BQ5 5Y3GT
- Principe général
- Super hétérodyne avec étage HF; FI/IF 455/10700 kHz; 4 Etage(s) BF
- Circuits accordés
- 6 Circuits MA (AM) 6 Circuits MF (FM)
- Gammes d'ondes
- PO et FM
- Particularités
- Tourne disque avec changeur
- Tension / type courant
- Alimentation Courant Alternatif (CA) / 60 Hz, 117 Volt
- Haut-parleur
- 6 HP
- Puissance de sortie
- 16 W (sans distorsion)
- Matière
- Boitier en bois
- De Radiomuseum.org
- Modèle: 663 Imperial Ch= 12B1/5T4A - Canadian Admiral Co. Ltd; Long
- Forme
- Console avec pieds bas < 50% de la hauteur
- Remarques
-
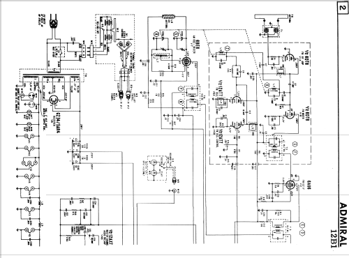
The Admiral model 663 is a 17-tube console radio with AM/FM stereo tuner and two 8W mono amplifiers with two 12 inch woofers, two 5.25 inch midranges, and two 3.5 inch tweeters. Has a built in stereo record changer. Comprised of a 12B1 tuner/mono amplifier chassis and a 5T4A mono amplifier chassis.
- Schémathèque (1)
- Radio College of Canada (RCC) (1959 Supplement 46)
- Auteur
- Modèle crée par Tom Seeger. Voir les propositions de modification pour les contributeurs supplémentaires.
- D'autres Modèles
-
Vous pourrez trouver sous ce lien 240 modèles d'appareils, 166 avec des images et 232 avec des schémas.
Tous les appareils de Canadian Admiral Co. Ltd; Long Branch, Ont.