873X Ch= 5D5X
Canadian Admiral Co. Ltd; Long Branch, Ont.
- Country
- Canada
- Manufacturer / Brand
- Canadian Admiral Co. Ltd; Long Branch, Ont.
- Year
- 1960 ?
- Category
- Broadcast Receiver - or past WW2 Tuner
- Radiomuseum.org ID
- 302421
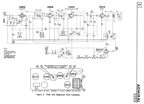
Click on the schematic thumbnail to request the schematic as a free document.
- Number of Tubes
- 5
- Main principle
- Superheterodyne (common); ZF/IF 455 kHz; 2 AF stage(s)
- Tuned circuits
- 6 AM circuit(s)
- Wave bands
- Broadcast only (MW).
- Power type and voltage
- Alternating Current supply (AC) / 60 Hz, 117 Volt
- Loudspeaker
- Permanent Magnet Dynamic (PDyn) Loudspeaker (moving coil) / Ø 4 inch = 10.2 cm
- Material
- Plastics (no bakelite or catalin)
- from Radiomuseum.org
- Model: 873X Ch= 5D5X - Canadian Admiral Co. Ltd; Long
- Shape
- Tablemodel with Clock ((Alarm-) Clock Radio).
- Notes
-
The Admiral model 873X is a 5-tube clock radio for standard broadcast reception.
- Literature/Schematics (1)
- Radio College of Canada (RCC) (1960-61 Supplement 52)
- Author
- Model page created by Tom Seeger. See "Data change" for further contributors.
- Other Models
-
Here you find 240 models, 166 with images and 232 with schematics for wireless sets etc. In French: TSF for Télégraphie sans fil.
All listed radios etc. from Canadian Admiral Co. Ltd; Long Branch, Ont.