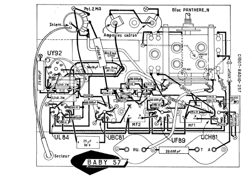
Baby 57
Cibot Radio; Paris
- Country
- France
- Manufacturer / Brand
- Cibot Radio; Paris
- Year
- 1958
- Category
- Broadcast Receiver - or past WW2 Tuner
- Radiomuseum.org ID
- 268108
Click on the schematic thumbnail to request the schematic as a free document.
- Number of Tubes
- 5
- Main principle
- Superheterodyne (common); ZF/IF 455 kHz; 2 AF stage(s)
- Tuned circuits
- 6 AM circuit(s)
- Wave bands
- Broadcast, Long Wave and 2 x Short Wave.
- Power type and voltage
- AC/DC-set / 110-127 Volt
- Loudspeaker
- Permanent Magnet Dynamic (PDyn) Loudspeaker (moving coil) / Ø 13 cm = 5.1 inch
- Material
- Wooden case
- from Radiomuseum.org
- Model: Baby 57 - Cibot Radio; Paris
- Shape
- Tablemodel, with any shape - general.
- Dimensions (WHD)
- 280 x 185 x 155 mm / 11 x 7.3 x 6.1 inch
- Notes
-
Alimentation secteur "tous courants", châssis relié au secteur.
2 OC dont une bande étalée (BE).
- Mentioned in
- - - Manufacturers Literature
- Literature/Schematics (1)
- Le grand livre de la TSF (Doctsf Ref. 273)
- Author
- Model page created by Jean Marchal. See "Data change" for further contributors.
- Other Models
-
Here you find 136 models, 123 with images and 55 with schematics for wireless sets etc. In French: TSF for Télégraphie sans fil.
All listed radios etc. from Cibot Radio; Paris