- Country
- United States of America (USA)
- Manufacturer / Brand
- Clark Radio Equipment Co.; Chicago
- Year
- 1946 ?
- Category
- Audio Amplifier or -mixer
- Radiomuseum.org ID
- 135927
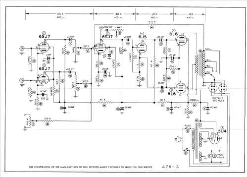
Click on the schematic thumbnail to request the schematic as a free document.
- Number of Tubes
- 7
- Main principle
- Audio-Amplification
- Wave bands
- - without
- Power type and voltage
- Alternating Current supply (AC) / 110 - 120 Volt
- Loudspeaker
- - This model requires external speaker(s).
- Material
- Metal case
- from Radiomuseum.org
- Model: PA-20A - Clark Radio Equipment Co.;
- Shape
- Tablemodel, with any shape - general.
- Notes
- 3 channel audio amplifier.
- Literature/Schematics (1)
- Photofact Folder, Howard W. SAMS (Set 478 folder 13 date 4-47)
- Author
- Model page created by Peter Hoddow. See "Data change" for further contributors.
- Other Models
-
Here you find 5 models, 5 with images and 5 with schematics for wireless sets etc. In French: TSF for Télégraphie sans fil.
All listed radios etc. from Clark Radio Equipment Co.; Chicago