Transceiver KWM-1
Collins Radio Company; Cedar Rapids (IA)
- Country
- United States of America (USA)
- Manufacturer / Brand
- Collins Radio Company; Cedar Rapids (IA)
- Year
- 1957/1958
- Category
- Amateur TRX: Transmitter/Receiver (and Transceiver)
- Radiomuseum.org ID
- 68949
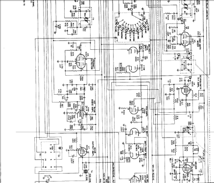
Click on the schematic thumbnail to request the schematic as a free document.
- Number of Tubes
- 24
- Main principle
- Superhet with RF-stage
- Wave bands
- Short Wave (SW only)
- Power type and voltage
- Powered by external power supply or a main unit. / 12/28/115 Volt
- Loudspeaker
- - This model requires external speaker(s).
- Material
- Metal case
- from Radiomuseum.org
- Model: Transceiver KWM-1 - Collins Radio Company; Cedar
- Shape
- Tablemodel, with any shape - general.
- Dimensions (WHD)
- 14 x 6.25 x 10 inch / 356 x 159 x 254 mm
- Notes
-
Collins KWM-1 Transceiver: covers ten 100 kHz segments in the range of 14 - 30 MHz resp. 15 - 10 m ham bands; SSB (175 W PEP input) / CW (160 W PEP input).
Intended primarily for mobile operation, needs external power supply (several availible).
First Collins SSB-Amateur-Tranceiver!
Each tube type listed once.
See MP-1 for 12 volt power converter.
- Net weight (2.2 lb = 1 kg)
- 8 kg / 17 lb 9.9 oz (17.621 lb)
- Price in first year of sale
- 770.00 $
- External source of data
- Eilert Menke
- Author
- Model page created by a member from D. See "Data change" for further contributors.
- Other Models
-
Here you find 103 models, 83 with images and 35 with schematics for wireless sets etc. In French: TSF for Télégraphie sans fil.
All listed radios etc. from Collins Radio Company; Cedar Rapids (IA)
Collections
The model Transceiver is part of the collections of the following members.