- Land
- USA
- Hersteller / Marke
- Colonial Radio Co.; Long Island and Buffalo, NY
- Jahr
- 1931 ?
- Kategorie
- Rundfunkempfänger (Radio - oder Tuner nach WW2)
- Radiomuseum.org ID
- 35564
Klicken Sie auf den Schaltplanausschnitt, um diesen kostenlos als Dokument anzufordern.
- Anzahl Röhren
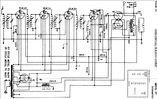
- 7
- Hauptprinzip
- Geradeaus ohne Rückkopplung; Schirmgitter 1926-1935
- Anzahl Kreise
- 4 Kreis(e) AM
- Wellenbereiche
- Mittelwelle, keine anderen.
- Betriebsart / Volt
- Wechselstromspeisung / 115 Volt
- Lautsprecher
- Dynamischer LS, mit Erregerspule (elektrodynamisch)
- von Radiomuseum.org
- Modell: 37 - Colonial Radio Co.; Long
- Bemerkung
- Push-pull af output stage.
- Datenherkunft extern
- Ernst Erb
- Schaltungsnachweis
- Rider's Perpetual, Volume 2 = 1932 (Models 1931/1932)
- Weitere Modelle
-
Hier finden Sie 165 Modelle, davon 75 mit Bildern und 131 mit Schaltbildern.
Alle gelisteten Radios usw. von Colonial Radio Co.; Long Island and Buffalo, NY