- País
- Estados Unidos
- Fabricante / Marca
- Colonial Radio Co.; Long Island and Buffalo, NY
- Año
- 1934
- Categoría
- Radio - o Sintonizador pasado WW2
- Radiomuseum.org ID
- 35595
Haga clic en la miniatura esquemática para solicitarlo como documento gratuito.
- Numero de valvulas
- 6
- Principio principal
- Superheterodino con paso previo de RF; ZF/IF 175 kHz; 2 Etapas de AF
- Número de circuitos sintonía
- 7 Circuíto(s) AM
- Gama de ondas
- OM y banda pesquera (USA = tropical/marina/policia) = 150-200m
- Tensión de funcionamiento
- Red: Corriente alterna (CA, Inglés = AC) / 117 Volt
- Altavoz
- Altavoz electrodinámico (bobina de campo) / Ø 8 inch = 20.3 cm
- Material
- Madera
- de Radiomuseum.org
- Modelo: 600 - Colonial Radio Co.; Long
- Forma
- Consola en general
- Anotaciones
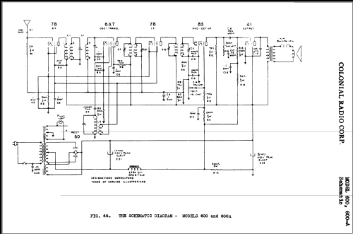
- Slusser defined the console to the year 1934. The models 600 and 600A share the same schematic. Sometimes the model 600 is referenced as 600AC. Be careful not to confuse with the model 600 Chrysler MoPar from about 1947.
From each model 600 and 600A (1933/34) there exist two versions, one for 25 cycles (Transformer R-9326A) and the other for 60 cycles (Transformer R-9325A) mains. The book "Pre-War Consoles" by Mark V. Stein shows on page 50 this model as two band console, also "collector's guide Vol 7" by Slusser shows BC and SW, but the schematic shows broadcast only. The schematic tells us that the model has broadcast extended up to 2500 kc (instead of normal 16..).
- Ext. procedencia de los datos
- Ernst Erb
- Procedencia de los datos
- Collector's Guide to Antique Radios 4. Edition
- Referencia esquema
- Rider's Perpetual, Volume 4 = ca. 1934 and before
- Otros modelos
-
Donde encontrará 165 modelos, 75 con imágenes y 131 con esquemas.
Ir al listado general de Colonial Radio Co.; Long Island and Buffalo, NY