- Land
- Neuseeland-Aotearoa
- Hersteller / Marke
- Columbus (Brand); Radio Centre Ltd.; Wellington
- Jahr
- 1952
- Kategorie
- Rundfunkempfänger (Radio - oder Tuner nach WW2)
- Radiomuseum.org ID
- 338324
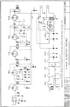
Klicken Sie auf den Schaltplanausschnitt, um diesen kostenlos als Dokument anzufordern.
- Anzahl Röhren
- 6
- Hauptprinzip
- Super mit HF-Vorstufe; 2 NF-Stufe(n)
- Anzahl Kreise
- 7 Kreis(e) AM
- Wellenbereiche
- Mittelwelle, keine anderen.
- Betriebsart / Volt
- Netz- / Batteriespeisung / 230 or 90 & 9 Volt
- Material
- Plastik oder Bakelit
- von Radiomuseum.org
- Modell: 502 - Columbus Brand; Radio Centre
- Form
- Reisegerät > 20 cm (netzunabhängig betreibbar)
- Bemerkung
-
6-valve superhet with RF stage broadcast (MW) portable receiver.
See also Model 402, Model 402A, Model 402X and Model 402Z.
Manufactured by Radio Corporation Of New Zealand Ltd for Columbus Radio Centre Ltd.
- Literaturnachweis
- -- Original prospect or advert (Press 8 June 1953 Page 4)
- Autor
- Modellseite von Brian Stevens angelegt. Siehe bei "Änderungsvorschlag" für weitere Mitarbeit.
- Weitere Modelle
-
Hier finden Sie 173 Modelle, davon 135 mit Bildern und 161 mit Schaltbildern.
Alle gelisteten Radios usw. von Columbus (Brand); Radio Centre Ltd.; Wellington