Combiné Radio-Phono HP886
Comptoir MB Radiophonique (M.B.); Paris
- Pays
- France
- Fabricant / Marque
- Comptoir MB Radiophonique (M.B.); Paris
- Année
- 1950
- Catégorie
- Radio - ou tuner d'après la guerre 1939-45
- Radiomuseum.org ID
- 260764
Cliquez sur la vignette du schéma pour le demander en tant que document gratuit.
- No. de tubes
- 5
- Principe général
- Super hétérodyne (en général); FI/IF 472 kHz; 2 Etage(s) BF
- Circuits accordés
- 6 Circuits MA (AM)
- Gammes d'ondes
- PO, GO et OC
- Particularités
- Tourne disque sans changeur
- Tension / type courant
- Alimentation Courant Alternatif (CA) / 110; 125; 145; 220; 245 Volt
- Haut-parleur
- HP dynamique à aimant permanent + bobine mobile / Ø 17 cm = 6.7 inch
- Matière
- Boitier en bois
- De Radiomuseum.org
- Modèle: Combiné Radio-Phono HP886 - Comptoir MB Radiophonique M.B.
- Forme
- Modèle de table profil bas (grand modèle).
- Remarques
-
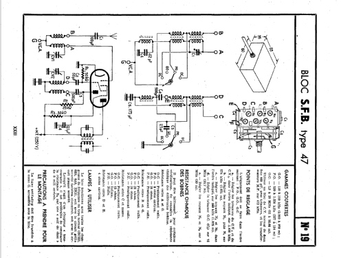
Bloc d'accord SFB modèle AF47.
Contient le châssis du modèle Radio-Phono 121 mais avec F.I. différent.
- Prix de mise sur le marché
- 19,835.00 FFR
- Schémathèque (1)
- Le Haut-Parleur (11-01-1951 page 17 et 20)
- Auteur
- Modèle crée par Jean Marchal. Voir les propositions de modification pour les contributeurs supplémentaires.
- D'autres Modèles
-
Vous pourrez trouver sous ce lien 131 modèles d'appareils, 124 avec des images et 41 avec des schémas.
Tous les appareils de Comptoir MB Radiophonique (M.B.); Paris