- Paese
- Francia
- Produttore / Marca
- Continental Edison, Compagnie Continentale Édison; Paris
- Anno
- 1957 ?
- Categoria
- Radio (o sintonizzatore del dopoguerra WW2)
- Radiomuseum.org ID
- 191301
Clicca sulla miniatura dello schema per richiederlo come documento gratuito.
- Numero di tubi
- 4
- Principio generale
- Supereterodina (in generale)
- Gamme d'onda
- Onde medie (OM) e onde lunghe (OL).
- Tensioni di funzionamento
- Alimentazione universale (doppia: CC/CA) / 110 Volt
- Altoparlante
- AP magnetodinamico (magnete permanente e bobina mobile)
- Potenza d'uscita
- 3 W (qualità ignota)
- Materiali
- Plastica (non bachelite o catalina)
- Radiomuseum.org
- Modello: D 411 - Continental Edison, Compagnie
- Forma
- Soprammobile compatto/con bordi arrotondati/midget senza pulsantiera/tastiera.<= 35 cm (Sometimes with handle but for mains only).
- Dimensioni (LxAxP)
- 350 x 240 x 120 mm / 13.8 x 9.4 x 4.7 inch
- Annotazioni
-
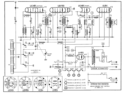
2 gammes d'ondes : PO de 187 à 578 m, GO de 1000 à 2000 m. Cadre ferrite de 200 mm.
Coffret plastique deux tons, décor aluminium aluminité.
Même modèle avec PO et OC, voir D 422.
Ce modèle existe aussi en exécution pour secteur alternatif, voir DA 411.
- Bibliografia
- -- Original-techn. papers.
- Letteratura / Schemi (1)
- -- Original prospect or advert
- Autore
- Modello inviato da Getulio Jimenez-Gomez. Utilizzare "Proponi modifica" per inviare ulteriori dati.
- Altri modelli
-
In questo link sono elencati 148 modelli, di cui 128 con immagini e 45 con schemi.
Elenco delle radio e altri apparecchi della Continental Edison, Compagnie Continentale Édison; Paris