Dual Sixty Ch= 181
Crosley Radio Corp.; Cincinnati (OH)
- País
- Estados Unidos
- Fabricante / Marca
- Crosley Radio Corp.; Cincinnati (OH)
- Año
- 1934
- Categoría
- Radio - o Sintonizador pasado WW2
- Radiomuseum.org ID
- 36281
Haga clic en la miniatura esquemática para solicitarlo como documento gratuito.
- Numero de valvulas
- 6
- Principio principal
- Superheterodino en general; ZF/IF 456 kHz; 2 Etapas de AF
- Número de circuitos sintonía
- 6 Circuíto(s) AM
- Gama de ondas
- OM y OC
- Tensión de funcionamiento
- Red: Corriente alterna (CA, Inglés = AC) / 110 Volt
- Altavoz
- Altavoz electrodinámico (bobina de campo)
- Material
- Madera
- de Radiomuseum.org
- Modelo: Dual Sixty Ch= 181 - Crosley Radio Corp.;
- Forma
- Sobremesa de cualquier forma, detalles no conocidos.
- Ext. procedencia de los datos
- Ernst Erb
- Procedencia de los datos
- Guide to Old Radios
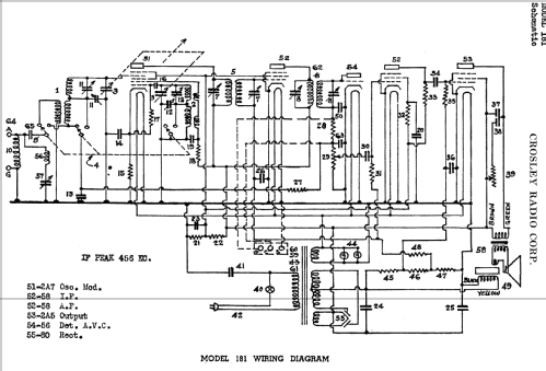
- Referencia esquema
- Rider's Perpetual, Volume 5 = ca. 1934 and before
- Documentación / Esquemas (1)
- - - Manufacturers Literature (Crosley Service Supplement Index, Suppl. 78)
- Documentación / Esquemas (2)
- Cathedral & Tombstone Radios (page 82.)
- Otros modelos
-
Donde encontrará 1813 modelos, 1053 con imágenes y 1306 con esquemas.
Ir al listado general de Crosley Radio Corp.; Cincinnati (OH)
Colecciones
El modelo Dual Sixty es parte de las colecciones de los siguientes miembros.