- Produttore / Marca
- Crosley Radio Corp.; Cincinnati (OH)
- Anno
- 1948
- Categoria
- Radio (o sintonizzatore del dopoguerra WW2)
- Radiomuseum.org ID
- 37026
Clicca sulla miniatura dello schema per richiederlo come documento gratuito.
- Numero di tubi
- 4
- Principio generale
- Supereterodina (in generale); ZF/IF 455 kHz; 2 Stadi BF
- N. di circuiti accordati
- 6 Circuiti Mod. Amp. (AM)
- Gamme d'onda
- Solo onde medie (OM).
- Tensioni di funzionamento
- Batterie (di accumulatori e/o a secco) / 1.5; 90 Volt
- Altoparlante
- AP magnetodinamico (magnete permanente e bobina mobile)
- Potenza d'uscita
- 0.15 W (qualità ignota)
- Radiomuseum.org
- Modello: 9-117 - Crosley Radio Corp.;
- Forma
- Soprammobile compatto/con bordi arrotondati/midget senza pulsantiera/tastiera.<= 35 cm (Sometimes with handle but for mains only).
- Fonte esterna dei dati
- Ernst Erb
- Fonte dei dati
- Collector's Guide to Antique Radios 4. Edition
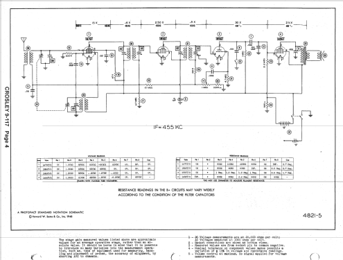
- Riferimenti schemi
- Rider's Perpetual, Volume 18 = 1949 and before
- Letteratura / Schemi (1)
- Photofact Folder, Howard W. SAMS (4821-5 Set 51 Folder 5)
- Altri modelli
-
In questo link sono elencati 1813 modelli, di cui 1053 con immagini e 1306 con schemi.
Elenco delle radio e altri apparecchi della Crosley Radio Corp.; Cincinnati (OH)