- Country
- United States of America (USA)
- Manufacturer / Brand
- Crosley Radio Corp.; Cincinnati (OH)
- Year
- 1948
- Category
- Broadcast Receiver - or past WW2 Tuner
- Radiomuseum.org ID
- 37051
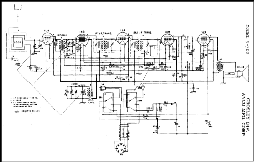
Click on the schematic thumbnail to request the schematic as a free document.
- Number of Tubes
- 5
- Main principle
- Superhet with RF-stage; ZF/IF 455 kHz; 2 AF stage(s)
- Tuned circuits
- 7 AM circuit(s)
- Wave bands
- Broadcast only (MW).
- Power type and voltage
- Line / Batteries (any type) / AC/DC 110 - 120 / 90 & 7.5 Volt
- Loudspeaker
- Permanent Magnet Dynamic (PDyn) Loudspeaker (moving coil)
- Power out
- 0.2 W (unknown quality)
- from Radiomuseum.org
- Model: 9-302 - Crosley Radio Corp.;
- Shape
- Portable set > 8 inch (also usable without mains)
- Notes
- Selenium Rectifier
- External source of data
- Ernst Erb
- Source of data
- Collector's Guide to Antique Radios 4. Edition
- Circuit diagram reference
- Rider's Perpetual, Volume 18 = 1949 and before
- Mentioned in
- Guide to Old Radios
- Literature/Schematics (1)
- Beitman Radio Diagrams, Vol. 09, 1949
- Literature/Schematics (2)
- Photofact Folder, Howard W. SAMS (4817-6 Set 47 Folder 6)
- Other Models
-
Here you find 1813 models, 1053 with images and 1306 with schematics for wireless sets etc. In French: TSF for Télégraphie sans fil.
All listed radios etc. from Crosley Radio Corp.; Cincinnati (OH)