D-25CE Ch= 311-1
Crosley Radio Corp.; Cincinnati (OH)
- Country
- United States of America (USA)
- Manufacturer / Brand
- Crosley Radio Corp.; Cincinnati (OH)
- Year
- 1953 ?
- Category
- Broadcast Receiver - or past WW2 Tuner
- Radiomuseum.org ID
- 36471
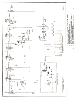
Click on the schematic thumbnail to request the schematic as a free document.
- Number of Tubes
- 5
- Main principle
- Superheterodyne (common); ZF/IF 455 kHz; 2 AF stage(s)
- Tuned circuits
- 6 AM circuit(s)
- Wave bands
- Broadcast only (MW).
- Power type and voltage
- Alternating Current supply (AC) / 60 Hz, 117V = 110 -120 Volt
- Loudspeaker
- Electro Magnetic Dynamic LS (moving-coil with field excitation coil) / Ø 5.25 inch = 13.3 cm
- Power out
- 1 W (unknown quality)
- Material
- Plastics (no bakelite or catalin)
- from Radiomuseum.org
- Model: D-25CE Ch= 311-1 - Crosley Radio Corp.;
- Shape
- Tablemodel with Clock ((Alarm-) Clock Radio).
- Dimensions (WHD)
- 13.3 x 7.7 x 7.1 inch / 338 x 196 x 180 mm
- Notes
-
Crosley model D-25CE is an AC operated AM superheterodyne receiver with electric clock.
Color Chartreuse.
- External source of data
- Ernst Erb
- Source of data
- Collector's Guide to Antique Radios 4. Edition
- Circuit diagram reference
- Beitman Radio Diagrams Vol. 11, 1951
- Mentioned in
- Table Top Radios Vol. 1 Stein 98
- Literature/Schematics (1)
- Rider's Perpetual, Volume 22 = covering 1951
- Literature/Schematics (2)
- Photofact Folder, Howard W. SAMS (Set 202, folder 2, dated 5-53)
- Other Models
-
Here you find 1813 models, 1053 with images and 1306 with schematics for wireless sets etc. In French: TSF for Télégraphie sans fil.
All listed radios etc. from Crosley Radio Corp.; Cincinnati (OH)
Collections
The model D-25CE is part of the collections of the following members.
Museums
The model D-25CE can be seen in the following museums.