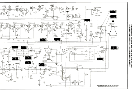
DU-20CHM Ch= 357
Crosley Radio Corp.; Cincinnati (OH)
- Country
- United States of America (USA)
- Manufacturer / Brand
- Crosley Radio Corp.; Cincinnati (OH)
- Year
- 1952 ?
- Category
- Television Receiver (TV) or Monitor
- Radiomuseum.org ID
- 351439
Click on the schematic thumbnail to request the schematic as a free document.
- Number of Tubes
- 22
- Valves / Tubes
- 6CB6 12AT7 or 12AV7 6AU6 6AU6 6AU6 6CB6 6AL5 6AH6 6C4 6AU6 6AU6 6AL5 6AV6 6W6GT 6SL7GT 6BL7GT 6SN7GTA 6CD6GT 6W4GT 1B3GT 5U4G 21AP4
- Main principle
- Superhet with RF-stage
- Wave bands
- Wave Bands given in the notes.
- Power type and voltage
- Alternating Current supply (AC) / 60 Hz, 117V = 110 -120 Volt
- Loudspeaker
- Permanent Magnet Dynamic (PDyn) Loudspeaker (moving coil)
- Material
- Wooden case
- from Radiomuseum.org
- Model: DU-20CHM Ch= 357 - Crosley Radio Corp.;
- Shape
- Console, Lowboy (legs < 50 %).
- Notes
-
Crosley model DU-20CHM is a 21” b/w TV with US standard VHF tuner channels 2 thru 13.
Equipped with chassis 357, VHF tuner AA-152132 and picture tube 21AP4.
- Literature/Schematics (1)
- Photofact Folder, Howard W. SAMS (Set 152, folder 2A, dated 1951)
- Literature/Schematics (2)
- Photofact Folder, Howard W. SAMS (Set 175, folder 8, dated 8-52)
- Author
- Model page created by Dirk Taekels. See "Data change" for further contributors.
- Other Models
-
Here you find 1813 models, 1053 with images and 1306 with schematics for wireless sets etc. In French: TSF for Télégraphie sans fil.
All listed radios etc. from Crosley Radio Corp.; Cincinnati (OH)