Croydon C21FTM
Croydon (where?)
- País
- Estados Unidos
- Fabricante / Marca
- Croydon (where?)
- Año
- 1952 ?
- Categoría
- Televisión (TV) o monitor
- Radiomuseum.org ID
- 359246
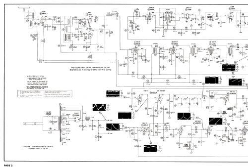
Haga clic en la miniatura esquemática para solicitarlo como documento gratuito.
- Numero de valvulas
- 18
- Válvulas
- 6BC5 or 6AG5 or 6CB6 6J6 6AU6 6AU6 6AU6 6CB6 6AU6 6T8 6K6GT 12AU7 6SN7GT 6AL5 6SN7GT 6AV5GT 6W4GT 1B3GT 5U4G 21LP4A
- Principio principal
- Superheterodino con paso previo de RF
- Gama de ondas
- Bandas de recepción puestas en notas.
- Tensión de funcionamiento
- Red: Corriente alterna (CA, Inglés = AC) / 60Hz, 117V=110-120 Volt
- Altavoz
- Ø 5 inch = 12.7 cm
- Material
- Madera
- de Radiomuseum.org
- Modelo: Croydon C21FTM - Croydon where?
- Forma
- Sobremesa de cualquier forma, detalles no conocidos.
- Anotaciones
- 
        Croydon model C21FTM is a 21” b/w TV with US standard VHF tuner channels 2 thru 13. Equipped with VHF tuner 22-A-77-X and picture tube 21LP4A. 
- Documentación / Esquemas (1)
- Photofact Folder, Howard W. SAMS (Set 185, folder 4, dated 11-52)
- Documentación / Esquemas (2)
- Photofact Folder, Howard W. SAMS (Set 191, folder 1, dated 1-53)
- Autor
- Modelo creado por Dirk Taekels. Ver en "Modificar Ficha" los participantes posteriores.
- Otros modelos
- 
        Donde encontrará 6 modelos, 4 con imágenes y 3 con esquemas. 
 Ir al listado general de Croydon (where?)
 
                
                
                
                
                
                
                
                
                
                
                
                
                
                
               