- País
- Estados Unidos
- Fabricante / Marca
- Dalbar Mfg. Co.; Dallas
- Año
- 1946 ?
- Categoría
- Radio - o Sintonizador pasado WW2
- Radiomuseum.org ID
- 138861
Haga clic en la miniatura esquemática para solicitarlo como documento gratuito.
- Numero de valvulas
- 6
- Principio principal
- Superheterodino en general; ZF/IF 455 kHz; 2 Etapas de AF
- Número de circuitos sintonía
- 6 Circuíto(s) AM
- Gama de ondas
- OM (onda media) solamente
- Tensión de funcionamiento
- Red: Aparato AC/DC. / 110 - 125 Volt
- Altavoz
- Altavoz dinámico (de imán permanente) / Ø 4.5 inch = 11.4 cm
- Material
- Madera
- de Radiomuseum.org
- Modelo: 400 - Dalbar Mfg. Co.; Dallas
- Forma
- Sobremesa apaisado (tamaño grande).
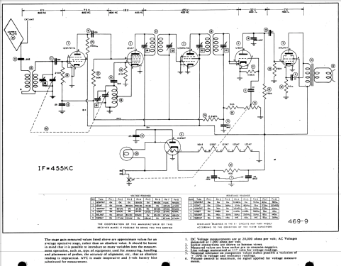
- Documentación / Esquemas (1)
- Photofact Folder, Howard W. SAMS (Set 9 folder 469-9 date 12-46)
- Autor
- Modelo creado por Peter Hoddow. Ver en "Modificar Ficha" los participantes posteriores.
- Otros modelos
-
Donde encontrará 6 modelos, 5 con imágenes y 5 con esquemas.
Ir al listado general de Dalbar Mfg. Co.; Dallas