Barcombo Jr.
Dalbar Mfg. Co.; Dallas
- Country
- United States of America (USA)
- Manufacturer / Brand
- Dalbar Mfg. Co.; Dallas
- Year
- 1946 ?
- Category
- Broadcast Receiver - or past WW2 Tuner
- Radiomuseum.org ID
- 139044
Click on the schematic thumbnail to request the schematic as a free document.
- Number of Tubes
- 6
- Main principle
- Superheterodyne (common); ZF/IF 455 kHz; 2 AF stage(s)
- Wave bands
- Broadcast only (MW).
- Details
- Record Player (perh.Changer)
- Power type and voltage
- Alternating Current supply (AC) / 105 - 125 Volt
- Loudspeaker
- Permanent Magnet Dynamic (PDyn) Loudspeaker (moving coil) / Ø 4.5 inch = 11.4 cm
- Material
- Wooden case
- from Radiomuseum.org
- Model: Barcombo Jr. - Dalbar Mfg. Co.; Dallas
- Shape
- Tablemodel, with any shape - general.
- Notes
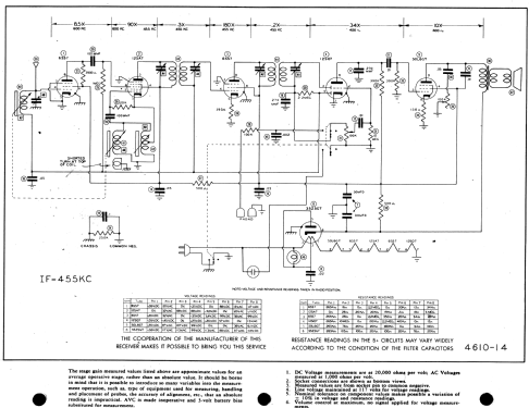
- Sams photofact Set 10 folder 4610-14 date 12-46 features the Dalbar models Barcombo Jr. and Barcombo Sr. as the same schematic.
- Literature/Schematics (1)
- Photofact Folder, Howard W. SAMS (Set 10 folder 4610-14 date 12-46)
- Author
- Model page created by Peter Hoddow. See "Data change" for further contributors.
- Other Models
-
Here you find 6 models, 5 with images and 5 with schematics for wireless sets etc. In French: TSF for Télégraphie sans fil.
All listed radios etc. from Dalbar Mfg. Co.; Dallas