Barcombo Sr.
Dalbar Mfg. Co.; Dallas
- Produttore / Marca
- Dalbar Mfg. Co.; Dallas
- Anno
- 1946 ?
- Categoria
- Radio (o sintonizzatore del dopoguerra WW2)
- Radiomuseum.org ID
- 139059
Clicca sulla miniatura dello schema per richiederlo come documento gratuito.
- Numero di tubi
- 6
- Principio generale
- Supereterodina (in generale); ZF/IF 455 kHz; 2 Stadi BF
- Gamme d'onda
- Solo onde medie (OM).
- Particolarità
- Giradischi o cambiadischi
- Tensioni di funzionamento
- Alimentazione a corrente alternata (CA) / 105 - 125 Volt
- Altoparlante
- AP magnetodinamico (magnete permanente e bobina mobile) / Ø 4.5 inch = 11.4 cm
- Radiomuseum.org
- Modello: Barcombo Sr. - Dalbar Mfg. Co.; Dallas
- Annotazioni
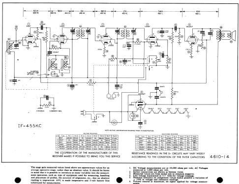
- Sams photofact Set 10 folder 4610-14 date 12-46 features the Dalbar models Barcombo Jr. and Barcombo Sr. as the same schematic.
- Letteratura / Schemi (1)
- Photofact Folder, Howard W. SAMS (Set 10 folder 4610-14 date 12-46)
- Autore
- Modello inviato da Peter Hoddow. Utilizzare "Proponi modifica" per inviare ulteriori dati.
- Altri modelli
-
In questo link sono elencati 6 modelli, di cui 5 con immagini e 5 con schemi.
Elenco delle radio e altri apparecchi della Dalbar Mfg. Co.; Dallas