- País
- Estados Unidos
- Fabricante / Marca
- Watterson Radio Mfg. Co., Dallas, TX
- Año
- 1950 ??
- Categoría
- Radio - o Sintonizador pasado WW2
- Radiomuseum.org ID
- 110249
Haga clic en la miniatura esquemática para solicitarlo como documento gratuito.
- Numero de valvulas
- 6
- Principio principal
- Superheterodino en general
- Gama de ondas
- OM y FM
- Tensión de funcionamiento
- Red: Corriente alterna (CA, Inglés = AC) / 117 Volt
- Altavoz
- Altavoz dinámico (de imán permanente)
- de Radiomuseum.org
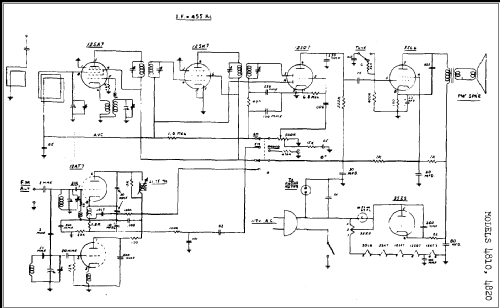
- Modelo: 4820 - Watterson Radio Mfg. Co.,
- Referencia esquema
- Rider's Perpetual, Volume 20 covering 1950
- Autor
- Modelo creado por Egon Penker. Ver en "Modificar Ficha" los participantes posteriores.
- Otros modelos
-
Donde encontrará 66 modelos, 36 con imágenes y 49 con esquemas.
Ir al listado general de Watterson Radio Mfg. Co., Dallas, TX