A07/41 Ch= 10DA761
De Forest (DeForest) Crosley Radio, Consolidated Industries; Toronto
- País
- Canada
- Fabricante / Marca
- De Forest (DeForest) Crosley Radio, Consolidated Industries; Toronto
- Año
- 1940/1941
- Categoría
- Radio - o Sintonizador pasado WW2
- Radiomuseum.org ID
- 175596
Haga clic en la miniatura esquemática para solicitarlo como documento gratuito.
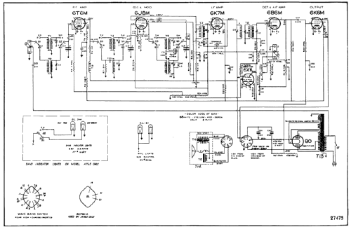
- Numero de valvulas
- 7
- Principio principal
- Superheterodino con paso previo de RF; ZF/IF 456 kHz; 2 Etapas de AF
- Número de circuitos sintonía
- 8 Circuíto(s) AM
- Gama de ondas
- OM y OC
- Tensión de funcionamiento
- Red: Corriente alterna (CA, Inglés = AC)
- Altavoz
- Altavoz electrodinámico (bobina de campo)
- de Radiomuseum.org
- Modelo: A07/41 Ch= 10DA761 - De Forest DeForest Crosley
- Anotaciones
- The 6X6 tube is a tuning indicator. This set has an 8-pushbutton tuning system. This model is electrically identical to the Rogers 15/70A, 15/77A, 15/79A, Majestic 4170A, 4177A, 4179A, De Forest A77/41 and A97/41.
- Referencia esquema
- Radio College of Canada
- Mencionado en
- RCC Rogers-Majestic section, pages 82, 78 & Cross-Reference
- Autor
- Modelo creado por Robin Roeckers. Ver en "Modificar Ficha" los participantes posteriores.
- Otros modelos
-
Donde encontrará 272 modelos, 131 con imágenes y 183 con esquemas.
Ir al listado general de De Forest (DeForest) Crosley Radio, Consolidated Industries; Toronto