A18/41 Ch= 10DB861
De Forest (DeForest) Crosley Radio, Consolidated Industries; Toronto
- Pays
- Canada
- Fabricant / Marque
- De Forest (DeForest) Crosley Radio, Consolidated Industries; Toronto
- Année
- 1941/1942 ?
- Catégorie
- Radio - ou tuner d'après la guerre 1939-45
- Radiomuseum.org ID
- 299814
Cliquez sur la vignette du schéma pour le demander en tant que document gratuit.
- No. de tubes
- 8
- Principe général
- Super hétérodyne avec étage HF; FI/IF 456 kHz; 2 Etage(s) BF
- Circuits accordés
- 9 Circuits MA (AM)
- Gammes d'ondes
- PO et OC
- Tension / type courant
- Piles sèches / 1.5 & 2 x 45 Volt
- Haut-parleur
- HP dynamique à aimant permanent + bobine mobile
- De Radiomuseum.org
- Modèle: A18/41 Ch= 10DB861 - De Forest DeForest Crosley
- Remarques
-
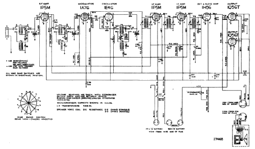
The Deforest model A18/41 is an 8-tube battery powered radio for BC and shortwave reception. Push-pull output amplifier. Same schematic as the Majestic 4181A and the Rogers 15/81A.
- Schémathèque (1)
- - - Manufacturers Literature (Rogers service manual Vol 3 P. 159)
- Auteur
- Modèle crée par Tom Seeger. Voir les propositions de modification pour les contributeurs supplémentaires.
- D'autres Modèles
-
Vous pourrez trouver sous ce lien 272 modèles d'appareils, 131 avec des images et 183 avec des schémas.
Tous les appareils de De Forest (DeForest) Crosley Radio, Consolidated Industries; Toronto