- Country
- United States of America (USA)
- Manufacturer / Brand
- DeWald Radio Mfg. Corp., Pierce Airo Inc.
- Year
- 1947
- Category
- Broadcast Receiver - or past WW2 Tuner
- Radiomuseum.org ID
- 37725
-
- Brand: Pierce Airo
Click on the schematic thumbnail to request the schematic as a free document.
- Number of Tubes
- 5
- Main principle
- Superheterodyne (common); ZF/IF 455 kHz; 2 AF stage(s)
- Tuned circuits
- 6 AM circuit(s)
- Wave bands
- Broadcast only (MW).
- Power type and voltage
- Line / Batteries (any type) / 110-117;9;90 Volt
- Loudspeaker
- -Loudspeaker incorporated, but system not known.
- Material
- Leather / canvas / plastic - over other material
- from Radiomuseum.org
- Model: A507 - DeWald Radio Mfg. Corp.,
- Shape
- Portable set > 8 inch (also usable without mains)
- Notes
- Built-in loop antenna as first RF circuit.
- External source of data
- Ernst Erb
- Source of data
- Collector's Guide to Antique Radios (6th edition)
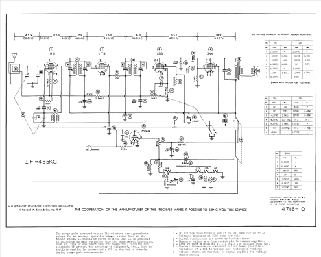
- Circuit diagram reference
- Rider's Perpetual, Volume 16 = ca. 1948 and before
- Literature/Schematics (4)
- Photofact Folder, Howard W. SAMS (Set 26, Date 10/47, Folder 4716-10)
- Other Models
-
Here you find 452 models, 198 with images and 353 with schematics for wireless sets etc. In French: TSF for Télégraphie sans fil.
All listed radios etc. from DeWald Radio Mfg. Corp., Pierce Airo Inc.