Safari 6R-801
Unitra DIORA - Radiowerk Dzierzoniow,
- Country
- Poland
- Manufacturer / Brand
- Unitra DIORA - Radiowerk Dzierzoniow,
- Year
- 1985 ??
- Category
- Car Radio, perhaps also + sound player/recorder
- Radiomuseum.org ID
- 107017
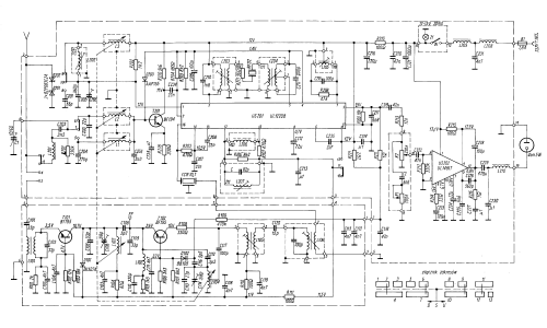
Click on the schematic thumbnail to request the schematic as a free document.
- Number of Transistors
- 3
- Main principle
- Superheterodyne (common); ZF/IF 465/10700 kHz
- Wave bands
- Broadcast, Long Wave and FM or UHF.
- Power type and voltage
- Storage Battery for all (e.g. for car radios and amateur radios) / 12 Volt
- Loudspeaker
- - This model requires external speaker(s).
- Material
- Metal case
- from Radiomuseum.org
- Model: Safari 6R-801 - Unitra DIORA - Radiowerk
- Shape
- Chassis only or for «building in»
- Notes
-
Der Autoempfänger Safari 6R-801 enthält 3 Transistoren und 2 ICs, UL1220B und UL1481T.
- Source of data
- -- Collector info (Sammler)
- Author
- Model page created by Franz Scharner. See "Data change" for further contributors.
- Other Models
-
Here you find 275 models, 227 with images and 140 with schematics for wireless sets etc. In French: TSF for Télégraphie sans fil.
All listed radios etc. from Unitra DIORA - Radiowerk Dzierzoniow,