CB-Handfunksprechgerät HF12/4
DNT Drahtlose Nachrichtentechnik; Dietzenbach
- Pays
- Allemagne
- Fabricant / Marque
- DNT Drahtlose Nachrichtentechnik; Dietzenbach
- Année
- 1988
- Catégorie
- Emetteur / récepteur CB
- Radiomuseum.org ID
- 212425
Cliquez sur la vignette du schéma pour le demander en tant que document gratuit.
- No. de transistors
- Semi-conducteurs présents
- Semi-conducteurs
- Principe général
- Transceiver (poste récepteur/émetteur combiné)
- Gammes d'ondes
- OC uniquement
- Tension / type courant
- Piles (rechargeables ou/et sèches) / 12 Volt
- Haut-parleur
- HP dynamique à aimant permanent + bobine mobile / Ø 5 cm = 2 inch
- Matière
- Plastique moderne (pas de bakélite, ni de catalin)
- De Radiomuseum.org
- Modèle: CB-Handfunksprechgerät HF12/4 - DNT Drahtlose
- Forme
- Portable, appareil de poche. Taille < 20cm
- Dimensions (LHP)
- 75 x 195 x 50 mm / 3 x 7.7 x 2 inch
- Remarques
-
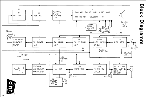
Frequenzbereich 26,965 bis 27,405 MHz, 40 Kanäle, PLL-Frequenzaufbereitung, Frequenzmodulation, Sendeleistung 1 Watt. Digitale Kanalanzeige (Display abschaltbar), Up-Down-Tasten, Akku-Ladebuchse. Deutsche Zulassungsnummer G400 239W K/p.
- Poids net
- 0.4 kg / 0 lb 14.1 oz (0.881 lb)
- Prix de mise sur le marché
- 130.00 DM
- Littérature
- Funkschau (15/1988, S. 9 / Werbeanzeige, Neuvorstellung)
- Auteur
- Modèle crée par Siegfried Droese. Voir les propositions de modification pour les contributeurs supplémentaires.
- D'autres Modèles
-
Vous pourrez trouver sous ce lien 65 modèles d'appareils, 61 avec des images et 25 avec des schémas.
Tous les appareils de DNT Drahtlose Nachrichtentechnik; Dietzenbach
Collections
Le modèle CB-Handfunksprechgerät fait partie des collections des membres suivants.