CB-Mobilfunkgerät 540M S-Line
DNT Drahtlose Nachrichtentechnik; Dietzenbach
- País
- Alemania
- Fabricante / Marca
- DNT Drahtlose Nachrichtentechnik; Dietzenbach
- Año
- 1975 ?
- Categoría
- Equipo para la banda ciudadana (CB = Citizen Band)
- Radiomuseum.org ID
- 121950
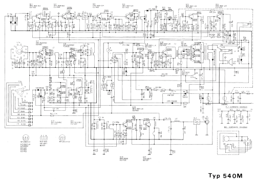
Haga clic en la miniatura esquemática para solicitarlo como documento gratuito.
- Numero de transistores
- 16
- Semiconductores
- ED1502 ED1502 ED1402 ED1402 ED1402 ED1402 ED1502 ED1502 ED1402 ED1402 BD137 or. MJE9400 BD137 or. MJE9400 ED1402 ED1402 ED1702 BD137 1N60 FDH900 1N4001 BZX79
- Principio principal
- Superheterodino en general; ZF/IF 455 kHz
- Gama de ondas
- Onda Corta solamente
- Tensión de funcionamiento
- Bateria recargable / 13,2 Volt
- Altavoz
- Altavoz dinámico (de imán permanente)
- Potencia de salida
- 2 W (unknown quality)
- Material
- Metálico
- de Radiomuseum.org
- Modelo: CB-Mobilfunkgerät 540M S-Line - DNT Drahtlose
- Forma
- Formas varias descritas en notas aparte.
- Ancho, altura, profundidad
- 160 x 48 x 150 mm / 6.3 x 1.9 x 5.9 inch
- Anotaciones
- CB-Mobilfunkgerät. 12 Quarz-Kanäle im Bereich von 27,005-27,135 MHz; AM; HF-Ausgangsleistung: 0,5 W. FTZ-Zulassung.
- Mencionado en
- -- Original prospect or advert
- Autor
- Modelo creado por Karlheinz Fischer. Ver en "Modificar Ficha" los participantes posteriores.
- Otros modelos
-
Donde encontrará 65 modelos, 61 con imágenes y 25 con esquemas.
Ir al listado general de DNT Drahtlose Nachrichtentechnik; Dietzenbach