Beverly, Millford, Ridgewood, Shelburne, Wakefield RA-165
DuMont Labs, Allen B., Inc.
- Pays
- Etats-Unis
- Fabricant / Marque
- DuMont Labs, Allen B., Inc.
- Année
- 1952 ?
- Catégorie
- Récepteur de télévision ou moniteur
- Radiomuseum.org ID
- 360235
-
- alternative name: Dumont Television & Radio
Cliquez sur la vignette du schéma pour le demander en tant que document gratuit.
- No. de tubes
- 21
- Lampes / Tubes
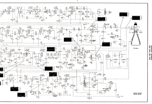
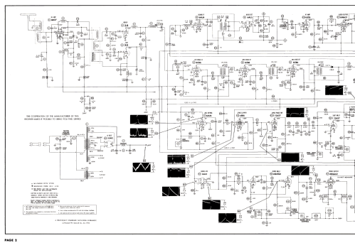
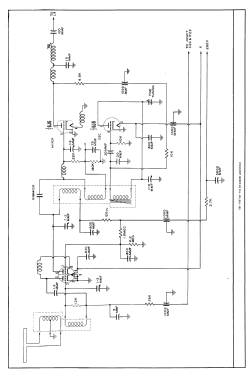
- 6BQ7 6J6 6CB6 6CB6 6CB6 12BY7 6AU6 6AU6 6AU6 6AT6 6W6GT 6BE6 12AT7 6S4 6AL5 6SN7GT 6BQ6GT 6W4GT 1B3GT 5U4G 21FP4A
- Principe général
- Super hétérodyne avec étage HF
- Gammes d'ondes
- Bandes en notes
- Tension / type courant
- Alimentation Courant Alternatif (CA) / 60Hz, 117V=110-120 Volt
- Haut-parleur
- HP dynamique à aimant permanent + bobine mobile / Ø 10 inch = 25.4 cm
- Matière
- Boitier en bois
- De Radiomuseum.org
- Modèle: Beverly, Millford, Ridgewood, Shelburne, Wakefield RA-165 - DuMont Labs, Allen B., Inc.
- Forme
- Console de forme générique
- Remarques
-
Dumont model RA-165 is a 21” b/w TV with US standard VHF tuner channels 2 thru 13. Equipped with VHF tuner 21010781 and picture tube 21FP4A.
- Schémathèque (1)
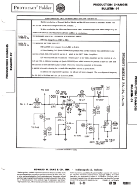
- Photofact Folder, Howard W. SAMS (Set 189, folder 7, dated 12-52)
- Schémathèque (2)
- Photofact Folder, Howard W. SAMS (Set 194, folder 1, dated 2-53)
- Schémathèque (3)
- Photofact Folder, Howard W. SAMS (Set 206, folder1, dated 6-53)
- Auteur
- Modèle crée par Dirk Taekels. Voir les propositions de modification pour les contributeurs supplémentaires.
- D'autres Modèles
-
Vous pourrez trouver sous ce lien 308 modèles d'appareils, 160 avec des images et 250 avec des schémas.
Tous les appareils de DuMont Labs, Allen B., Inc.