Croft Ch= RA-340
DuMont Labs, Allen B., Inc.
- Country
- United States of America (USA)
- Manufacturer / Brand
- DuMont Labs, Allen B., Inc.
- Year
- 1956 ?
- Category
- Television Receiver (TV) or Monitor
- Radiomuseum.org ID
- 298791
-
- alternative name: Dumont Television & Radio
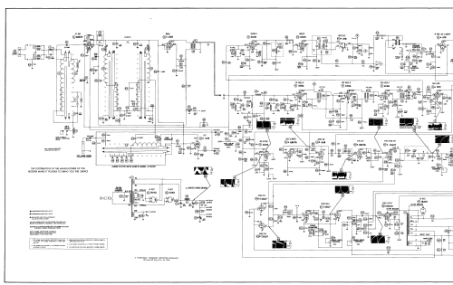
Click on the schematic thumbnail to request the schematic as a free document.
- Number of Tubes
- 23
- Valves / Tubes
- 6BK7A 6X8 3CB6 3CB6 6CB6 6U8 6AQ5 6AU6 6AU6 6AU6 6T8 6AQ5 6BK7A 12AU7 12AU7 6AV5GT 12AU7 6CD6G 6AU4GT 1B3GT 5U4G 5U4G 24DP4A
- Main principle
- Superhet with RF-stage
- Wave bands
- Wave Bands given in the notes.
- Power type and voltage
- Alternating Current supply (AC) / 60 cycles, 117V = 110 -120 Volt
- Loudspeaker
- Permanent Magnet Dynamic (PDyn) Loudspeaker (moving coil)
- Material
- Wooden case
- from Radiomuseum.org
- Model: Croft Ch= RA-340 - DuMont Labs, Allen B., Inc.
- Shape
- Console, Highboy (legs > 50 %).
- Notes
-
Dumont model Croft is a 21" b/w TV with US standard VHF tuner channels 2 thru 13. Equipped with chassis RA-340, VHF tuner 89013751 and picture tube 24DP4A.
- Literature/Schematics (1)
- Photofact Folder, Howard W. SAMS (Set 330 Folder 1 dated 5-56)
- Literature/Schematics (2)
- Photofact Folder, Howard W. SAMS (Set 318 Folder 4 dated 5-56)
- Author
- Model page created by Dirk Taekels. See "Data change" for further contributors.
- Other Models
-
Here you find 308 models, 160 with images and 250 with schematics for wireless sets etc. In French: TSF for Télégraphie sans fil.
All listed radios etc. from DuMont Labs, Allen B., Inc.