Travis Ch= RA-356
DuMont Labs, Allen B., Inc.
- Pays
- Etats-Unis
- Fabricant / Marque
- DuMont Labs, Allen B., Inc.
- Année
- 1956 ?
- Catégorie
- Récepteur de télévision ou moniteur
- Radiomuseum.org ID
- 277836
-
- alternative name: Dumont Television & Radio
Cliquez sur la vignette du schéma pour le demander en tant que document gratuit.
- No. de tubes
- 19
- Lampes / Tubes
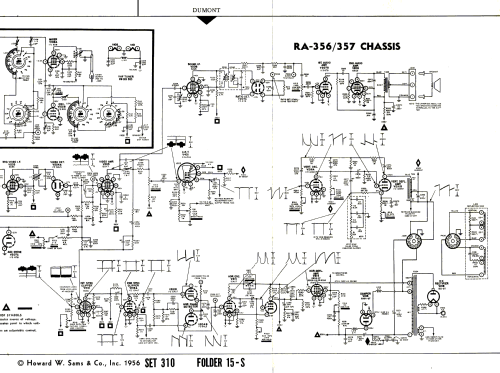
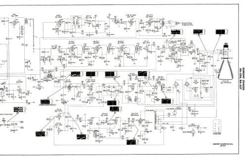
- 6BK7A 6X8 6CB6 6CB6 6CB6 6AL5 12BY7A 6AU6 6T8 6AQ5 6CS6 12BH7A 12AU7 12AU7 6BQ6GA 6AX4GT 1B3GT 5U4GB 21AUP4A or 21AUP4B
- Principe général
- Super hétérodyne avec étage HF
- Gammes d'ondes
- VHF/UHF (voir details en note)
- Tension / type courant
- Alimentation Courant Alternatif (CA) / 60 Hz, 117V = 110 -120 Volt
- Haut-parleur
- HP dynamique à aimant permanent + bobine mobile / Ø 4 inch = 10.2 cm
- Matière
- Boitier en bois
- De Radiomuseum.org
- Modèle: Travis Ch= RA-356 - DuMont Labs, Allen B., Inc.
- Forme
- Modèle de table générique
- Remarques
-
The Dumont model Travis is a 21" b/w TV with US standard VHF Tuner channels 2 thru 13, equipped with VHF-tuner 89013555, chassis RA-356 and picture tube 21AUP4A or 21AUP4B.
- Schémathèque (1)
- Photofact Folder, Howard W. SAMS (Set 334 Folder 5 dated 10-56)
- Schémathèque (2)
- Photofact Folder, Howard W. SAMS (Set 310 Folder 15-S dated 3-56)
- Auteur
- Modèle crée par Dirk Taekels. Voir les propositions de modification pour les contributeurs supplémentaires.
- D'autres Modèles
-
Vous pourrez trouver sous ce lien 308 modèles d'appareils, 160 avec des images et 250 avec des schémas.
Tous les appareils de DuMont Labs, Allen B., Inc.