Portable Radio DX6313 /00 /33
Dux, Helsinki
- Paese
- Finlandia
- Produttore / Marca
- Dux, Helsinki
- Anno
- 1970 ??
- Categoria
- Radio (o sintonizzatore del dopoguerra WW2)
- Radiomuseum.org ID
- 280146
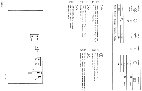
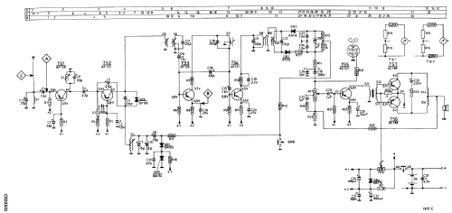
Clicca sulla miniatura dello schema per richiederlo come documento gratuito.
- Numero di transistor
- 7
- Principio generale
- Supereterodina (in generale); ZF/IF 6730 kHz; 2 Stadi BF
- N. di circuiti accordati
- 7 Circuiti Mod. Freq. (FM)
- Gamme d'onda
- Solo modulazione di frequenza (FM)
- Tensioni di funzionamento
- Batterie a secco / 4 x 1,5 Volt
- Altoparlante
- AP magnetodinamico (magnete permanente e bobina mobile)
- Potenza d'uscita
- 0.3 W (qualità ignota)
- Materiali
- Plastica (non bachelite o catalina)
- Radiomuseum.org
- Modello: Portable Radio DX6313 /00 /33 - Dux, Helsinki
- Forma
- Apparecchio portatile > 20 cm (senza la necessità di una rete)
- Dimensioni (LxAxP)
- 270 x 125 x 65 mm / 10.6 x 4.9 x 2.6 inch
- Bibliografia
- -- Original-techn. papers.
- Autore
- Modello inviato da Heiko zur Mühlen. Utilizzare "Proponi modifica" per inviare ulteriori dati.
- Altri modelli
-
In questo link sono elencati 15 modelli, di cui 15 con immagini e 4 con schemi.
Elenco delle radio e altri apparecchi della Dux, Helsinki