- País
- Alemania
- Fabricante / Marca
- Dynacord (W. Pinternagel); Straubing
- Año
- 1974 ??
- Categoría
- Amplificador de audio o mezclador
- Radiomuseum.org ID
- 98271
Haga clic en la miniatura esquemática para solicitarlo como documento gratuito.
- Numero de transistores
- 17
- Semiconductores
- BC414 BC414 BC414 BC414 BC416 BC414 BC414 BC307 BD245 BC307 BC416 BC414 BC307 BC337 BD246 BC327 BD245 ZF3,3 ZF3,3 BAV54 BAV54 CQY40 B80C5000
- Principio principal
- Amplificador de Audio
- Gama de ondas
- - no hay
- Tensión de funcionamiento
- Red: Corriente alterna (CA, Inglés = AC) / 220; 110 Volt
- Altavoz
- - Este modelo usa altavoz exterior (1 o más).
- Potencia de salida
- 25 W (unknown quality)
- Material
- Metálico
- de Radiomuseum.org
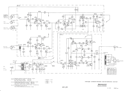
- Modelo: MV 25 - Dynacord W. Pinternagel;
- Forma
- Unidad para estanteria.
- Ancho, altura, profundidad
- 220 x 80 x 310 mm / 8.7 x 3.1 x 12.2 inch
- Anotaciones
- Dynacord Mischverstärker MV25.
Übertragungbereich: 80-18000 Hz; 4 Eingänge; Ausgänge: 100 V/400 Ohm, 70 V/196 Ohm, 50 V/100 Ohm, 4 Ohm.
- Peso neto
- 4.6 kg / 10 lb 2.1 oz (10.132 lb)
- Procedencia de los datos
- -- Original-techn. papers.
- Mencionado en
- -- Original-techn. papers. (Schaltplan 23.8.78)
- Autor
- Modelo creado por Peter Böhm. Ver en "Modificar Ficha" los participantes posteriores.
- Otros modelos
-
Donde encontrará 200 modelos, 179 con imágenes y 100 con esquemas.
Ir al listado general de Dynacord (W. Pinternagel); Straubing