- País
- Estados Unidos
- Fabricante / Marca
- Dynamic Electronics New York. Inc.; (NY)
- Año
- 1959 ?
- Categoría
- Amplificador de audio o mezclador
- Radiomuseum.org ID
- 158763
Haga clic en la miniatura esquemática para solicitarlo como documento gratuito.
- Numero de valvulas
- 5
- Principio principal
- Amplificador de Audio
- Gama de ondas
- - no hay
- Tensión de funcionamiento
- Red: Corriente alterna (CA, Inglés = AC) / 110 - 120 Volt
- Altavoz
- - Este modelo usa altavoz exterior (1 o más).
- Material
- Metálico
- de Radiomuseum.org
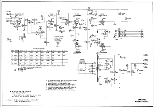
- Modelo: 2000PA - Dynamic Electronics New York.
- Forma
- Chasis (tambien de autoradio)
- Anotaciones
- The Dynamic Electronics Model 2000PA is an AC Operated 5 Tube 3 Channel Audio Amplifier.
- Documentación / Esquemas (1)
- Photofact Folder, Howard W. SAMS (Date 3-59, Set 433, Folder 6)
- Autor
- Modelo creado por Egon Penker. Ver en "Modificar Ficha" los participantes posteriores.
- Otros modelos
-
Donde encontrará 21 modelos, 11 con imágenes y 17 con esquemas.
Ir al listado general de Dynamic Electronics New York. Inc.; (NY)