Solid State Tube Tester 607
B&K (Precision), Dynascan Corp., Cobra Electronics; Chicago, IL and Yorba Linda, CA
- Pays
- Etats-Unis
- Fabricant / Marque
- B&K (Precision), Dynascan Corp., Cobra Electronics; Chicago, IL and Yorba Linda, CA
- Année
- 1974 ?
- Catégorie
- Appareils de mesure et de dépannage (matériel de labo)
- Radiomuseum.org ID
- 225121
-
- alternative name: B&K Manufacturing Company
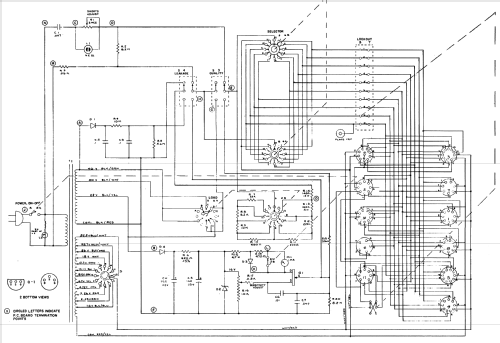
Cliquez sur la vignette du schéma pour le demander en tant que document gratuit.
- No. de transistors
- 1
- Semi-conducteurs
- 2N5458
- Gammes d'ondes
- - sans
- Tension / type courant
- Alimentation Courant Alternatif (CA) / 115 Volt
- Haut-parleur
- - - Pas de sortie basse fréquence
- Matière
- Cuir / canvas / plastique mais autre matériel en dessous!
- De Radiomuseum.org
- Modèle: Solid State Tube Tester 607 - B&K Precision, Dynascan Corp.,
- Forme
- Modèle de table générique
- Auteur
- Modèle crée par Aglef Tröger. Voir les propositions de modification pour les contributeurs supplémentaires.
- D'autres Modèles
-
Vous pourrez trouver sous ce lien 116 modèles d'appareils, 112 avec des images et 47 avec des schémas.
Tous les appareils de B&K (Precision), Dynascan Corp., Cobra Electronics; Chicago, IL and Yorba Linda, CA
Collections
Le modèle Solid State Tube Tester fait partie des collections des membres suivants.