101 Ch= AA
ECA, New York
- País
- Estados Unidos
- Fabricante / Marca
- ECA, New York
- Año
- 1946
- Categoría
- Radio - o Sintonizador pasado WW2
- Radiomuseum.org ID
- 38199
-
- alternative name: Electrical Corp of America || Electronic Corp. of America
Haga clic en la miniatura esquemática para solicitarlo como documento gratuito.
- Numero de valvulas
- 5
- Principio principal
- Superheterodino en general; ZF/IF 455 kHz; 2 Etapas de AF
- Número de circuitos sintonía
- 6 Circuíto(s) AM
- Gama de ondas
- OM (onda media) solamente
- Tensión de funcionamiento
- Red: Aparato AC/DC. / 117 Volt
- Altavoz
- Altavoz dinámico (de imán permanente) / Ø 4.63 inch = 11.8 cm
- Material
- Madera
- de Radiomuseum.org
- Modelo: 101 Ch= AA - ECA, New York
- Forma
- Sobremesa de cualquier forma, detalles no conocidos.
- Precio durante el primer año
- 26.95 $
- Ext. procedencia de los datos
- Ernst Erb
- Procedencia de los datos
- Collector's Guide to Antique Radios 4. Edition
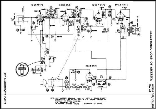
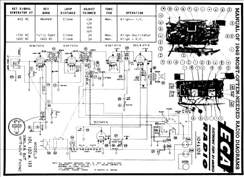
- Referencia esquema
- Rider's Perpetual, Volume 15 = 1947 and before
- Documentación / Esquemas (1)
- Photofact Folder, Howard W. SAMS (Set 1 folder 461-25 date 6-46)
- Documentación / Esquemas (2)
- Radio Retailing (Radio & Television R.) (January 1946 page 149. March 1946 page 107. April 1946 page 99.)
- Otros modelos
-
Donde encontrará 16 modelos, 14 con imágenes y 13 con esquemas.
Ir al listado general de ECA, New York